|

Цилиндрические редукторы 1Ц2У-100, 1Ц2У-125, 1Ц2У-160, 1Ц2У-200, 1Ц2У-250: характеристики, устройство, принцип работы, стоимость |
|
Общепромышленные цилиндрические редукторы 1Ц2У-100, 1Ц2У-125, 1Ц2У-160, 1Ц2У-200, 1Ц2У-250 предназначены повышать крутящий момент то и снижать частоту вращения. В качестве понижающего механизма применяется двухступенчатая цилиндрическая пара состоящая из трёх зубчатых колес. |
|
Цилиндрические редукторы серии Ц2У представлены пятью типоразмерами с возможностью комплектации асинхронными электродвигателями мощностью 0,75 - 45 кВт. Агрегат любого из пяти типоразмеров имеет широкий ряд передаточных чисел в пределах 8; 10; 12,5; 16; 20; 25; 31,5; 40. Максимальный крутящий момент достигает 10000 Нм. Типоразмеры 1Ц2У-100, 1Ц2У-125, 1Ц2У-160 могут иметь алюминиевый либо чугунный корпус, 1Ц2У-200, 1Ц2У-250 - только чугунный.
Базовые характеристики
- Номинальная мощность электродвигателя: от 0,75 до 45 кВт;
- Допускается эксплуатация с постоянными и переменными нагрузками
- Крутящий момент на выходном валу: от 315 до 10000 Нм;
- Диапазон передаточных чисел: 8; 10; 12,5; 16; 20; 25; 31,5; 40
- Частота вращения выходного вала: от 18 до 187 об/мин;
- Тип смазки синтетическое или полусинтетическое масло на срок до 15000 часов работы;
- Частота вращения входного вала не более 1800 об/мин;
- Доступные варианты сборки: 11, 12, 13, 21, 22, 23, 31, 32, 33
- Входные и выходные валы могут быть цилиндрические, конические и полые;
- Режим эксплуатации длительный, до 24 часа в сутки;
- Климатическое исполнение: О, У, УХЛ, Т
- Степень защиты корпуса редуктора IP65.
Серия имеет следующие типоразмеры:
1Ц2У-100 (Ц2У-100), 1Ц2У-125 (Ц2У-125), 1Ц2У-160 (Ц2У-160), 1Ц2У-200 (Ц2У-200), 1Ц2У-250 (Ц2У-250)
Система обозначения цилиндрических редукторов серии 1Ц2У (Ц2У)
1Ц2У – 160 – 25 – 13 - К - Ц - У1
1Ц2У - Редуктор цилиндрический двухступенчатый универсального типа
160 - Типоразмер (расстояние между осями валов в мм) возможные варианты 100, 125, 160, 200, 250
25 - Передаточное отношение, возможные варианты 8; 10; 12,5; 16; 20; 25; 31,5; 40
13 - Вид сборки, возможные варианты 11, 12, 13, 21, 22, 23, 31, 32, 33
К - Исполнение входного вала (в данном случае конический)
Ц - Исполнение входного вала (в данном случае конический)
У - Климатическое исполнение, возможные варианты О, У, УХЛ, Т
1 - Категория размещения
|
Типоразмер |
M max, Нм |
D - выходного вала,
мм |
| 1Ц2У-100 |
315 |
30 |
| 1Ц2У-125 |
630 |
40 |
| 1Ц2У-160 |
1250 |
50 |
| 1Ц2У-200 |
2500 |
65 |
| 1Ц2У-250 |
5000 |
85 |
|
Модификации редукторов
 |
 |
 |
| Варианты сборки - 11 |
Варианты сборки - 12 |
Варианты сборки - 13 |
 |
 |
 |
| Варианты сборки - 21 |
Варианты сборки - 22 |
Варианты сборки - 23 |
 |
 |
 |
| Варианты сборки - 31 |
Варианты сборки - 32 |
Варианты сборки - 33 |
Технические данные
- зубчатые колеса - легированная сталь
- валы - конструкционная сталь
- смазка - синтетическое масло
Смазочные материалы
| Типоразмер |
Объём заливаемого масла |
Марка масла |
Периодичность проверки и заливки масла |
| 1Ц2У-100 |
0,7 |
Летнее: ИРП 150, ИТП 200
Зимнее: ТСп-10 |
Каждые 90 суток |
| 1Ц2У-125 |
0,9 |
| 1Ц2У-160 |
4,5 |
| 1Ц2У-200 |
9 |
| 1Ц2У-250 |
15 |
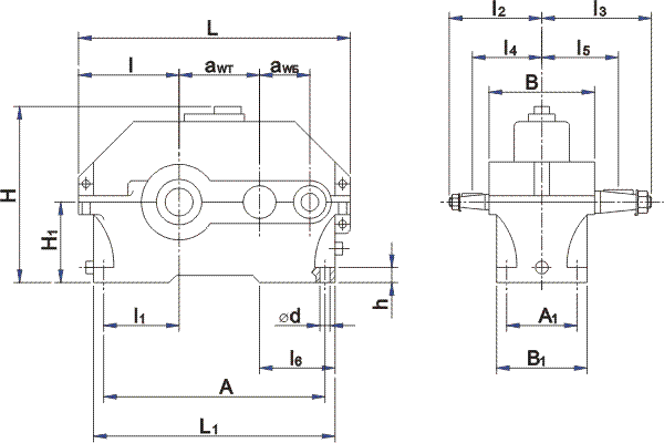
Габаритные и присоединительные размеры
Типоразмер редуктора |
Межосевые расстояния |
L |
L1 |
l |
l1 |
l2 |
l3 |
l4 |
l5 |
l6 |
H не более |
aw - вых |
aw - вх |
не более
|
1Ц2У-100 |
100 |
80 |
387 |
325 |
136 |
85 |
136 |
165 |
103 |
115 |
- |
230 |
1Ц2У-125 |
125 |
80 |
450 |
375 |
160 |
106 |
145 |
206 |
112 |
136 |
- |
272 |
1Ц2У-160 |
160 |
100 |
560 |
475 |
200 |
136 |
170 |
224 |
132 |
155 |
145 |
345 |
1Ц2У-200 |
200 |
125 |
690 |
580 |
243 |
165 |
212 |
280 |
160 |
190 |
186 |
425 |
1Ц2У-250 |
250 |
160 |
825 |
730 |
290 |
212 |
265 |
335 |
195 |
230 |
224 |
530 |
Типоразмер редуктора |
H1 |
h |
c чугун. корп. |
с алюм. корп. |
А |
A1 |
В |
B1 |
d |
1Ц2У-100 |
112 |
— |
20±3 |
290 |
109 |
155 |
145 |
15 |
1Ц2У-125 |
132 |
— |
22±3 |
335 |
125 |
175 |
165 |
19 |
1Ц2У-160 |
170 |
24±4 |
28±4 |
425 |
140 |
206 |
195 |
24 |
1Ц2У-200 |
212 |
30±4 |
— |
515 |
165 |
243 |
230 |
24 |
1Ц2У-250 |
265 |
32±5 |
— |
670 |
218 |
290 |
280 |
28 |
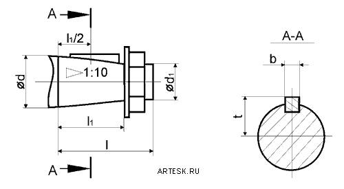
Размеры входного и выходного валов
Цилиндрический вал
Модель |
Тип вала |
d |
I |
b |
t |
1Ц2У-100 |
Входной |
18 |
36 |
6 |
20,5 |
1Ц2У-125 |
18 |
36 |
6 |
20,5 |
1Ц2У-160 |
22 |
42 |
6 |
24,5 |
1Ц2У-200 |
25 |
58 |
8 |
28 |
1Ц2У-250 |
35 |
82 |
10 |
38 |
1Ц2У-100 |
Выходной |
30 |
58 |
8 |
33 |
1Ц2У-125 |
40 |
82 |
12 |
43 |
1Ц2У-160 |
50 |
105 |
14 |
53,5 |
1Ц2У-200 |
65 |
105 |
18 |
69 |
1Ц2У-250 |
85 |
170 |
22 |
90 |
Конический вал
Модель |
Тип вала |
d |
d1 |
I |
I1 |
b |
t |
1Ц2У-100 |
Входной |
20 |
М12х1,25 |
50 |
36 |
4 |
10,6 |
1Ц2У-125 |
20 |
М12х1,25 |
50 |
36 |
4 |
10,6 |
1Ц2У-160 |
25 |
М16х1,5 |
60 |
42 |
5 |
13,45 |
1Ц2У-200 |
30 |
М20х1,5 |
80 |
58 |
5 |
15,55 |
1Ц2У-250 |
40 |
М24х2,0 |
110 |
82 |
10 |
20,9 |
1Ц2У-100 |
Выходной |
35 |
М20х1,5 |
80 |
58 |
6 |
18,55 |
1Ц2У-125 |
45 |
М30х2,0 |
110 |
82 |
12 |
23,45 |
1Ц2У-160 |
55 |
М36х3,0 |
110 |
82 |
14 |
28,95 |
1Ц2У-200 |
70 |
М48х3,0 |
140 |
105 |
18 |
36,38 |
1Ц2У-250 |
90 |
М64х4,0 |
170 |
130 |
22 |
46,75 |
Редуктор 1Ц2У-100
Редуктор 1Ц2У-125
Редуктор 1Ц2У-160
Редуктор 1Ц2У-200
Редуктор 1Ц2У-250
Технические характеристики
Основные показатели |
Типоразмер |
1Ц2У-100 |
1Ц2У-125 |
1Ц2У-160 |
1Ц2У-200 |
1Ц2У-250 |
Номинальные передаточные числа |
Группа 1 |
10; 20; 31,5; 40 |
Группа 2 |
8;12,5; 16; 25 |
Реальные передаточные числа |
Группа 1 |
10,32;20,64; 32,55; 40,32 |
10; 20; 31,5;38,37 |
10,32; 20,64; 32,55; 40,32 |
9,76; 20,02; 31,47; 38,98 |
9,94; 20,67; 31,47; 38,4 |
Группа 2 |
8; 12,8; 16; 25,6 |
7,75; 12,18; 15,48; 24,36 |
8; 12,6; 16,0; 25,2 |
8,09; 12,08; 16,6; 24,83 |
8,33; 12,12; 16; 24,54 |
Крутящий момент на выходном валу при длительной эксплуатация с постоянной нагрузкой Нм |
постоянный (Н) ПВ=100% |
315 |
630 |
1250 |
2500 |
5000 |
Крутящий момент на выходном валу при работе редуктора на кратковременных режимах. Нм |
тяжелый (Т) ПВ=40% |
315 |
630 |
1600 |
3150 |
6300 |
средний (С) ПВ=25% |
2000 |
4000 |
8000 |
легкий (Л) ПВ=15% |
2500 |
5000 |
10000 |
Радиальная консольная нагрузка, приложенная на середину вала, Н |
входного вала |
постоянный (Н) ПВ=100% |
500 |
750 |
1000 |
2240 |
3150 |
тяжелый (Т) ПВ=40% |
1150 |
2500 |
3550 |
средний (С) ПВ=25% |
1280 |
2800 |
4000 |
легкий (Л) ПВ=15% |
1450 |
3150 |
4500 |
выходного вала |
постоянный (Н) ПВ=100% |
4500 |
6300 |
9000 |
12500 |
18000 |
тяжелый (Т) ПВ=40% |
10000 |
14000 |
20000 |
средний (С) ПВ=25% |
11200 |
16000 |
22400 |
легкий (Л) ПВ=15% |
12500 |
18000 |
25000 |
Термическая мощность, кВт |
Лимита нет |
Коэффициент полезного действия, не менее, % |
97 |
Масса редуктора, не более, кг |
с чугунным корпусом |
— |
|
95 |
170 |
310 |
с алюминиевым корп. |
21 |
31,5 |
57 |
|
|
|
| |
|
| ©
2014 Редукторы, мотор-редукторы, устройства плавного пуска, преобразователи частоты |
|
|