
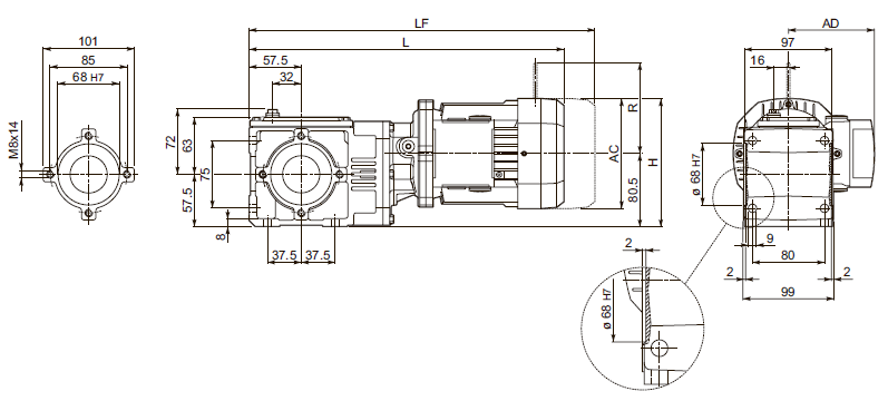
Габаритные и присоединительные размеры мотор-редукторы Bonfiglioli A 05 |
| |
A 05...M
ТИП
|
|
M_FD M_FA |
M_FD |
M_FA |
AC |
H |
L |
AD |
Вес |
LF |
Вес |
R |
AD |
R |
AD |
A 05 2 |
S05 |
M05 |
121 |
141 |
360.5 |
95 |
7.5 |
426.5 |
9 |
96 |
119 |
116 |
95 |
A 05 2 |
S1 |
M1S |
138 |
149.5 |
365.5 |
108 |
10.5 |
428.5 |
13 |
103 |
132 |
124 |
108 |
A 05 2 |
S1 |
M1L |
138 |
149.5 |
389.5 |
108 |
11.5 |
450.5 |
14 |
103 |
132 |
124 |
108 |
A 05 2 |
S2 |
M2S |
156 |
158.5 |
418.5 |
119 |
15.5 |
488.5 |
19 |
129 |
143 |
134 |
119 |
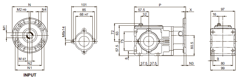
A 05...P(IEC)
| ТИП |
|
M |
M1 |
M2 |
N |
N1 |
N2 |
N3 |
N4 |
X |
P |
Вес |
A 05 2 |
P63 |
11 |
12.8 |
4 |
140 |
115 |
95 |
7 |
9.5 |
3.5 |
206 |
5 |
A 05 2 |
P71 |
14 |
16.3 |
5 |
160 |
130 |
110 |
7 |
9.5 |
4 |
213 |
5 |
A 05 2 |
P80 |
19 |
20.8 |
6 |
200 |
165 |
130 |
7 |
11.5 |
4 |
223 |
5.5 |
A 05...F...
A 05...UH
A 05...US
|
| |