
Габаритные и присоединительные размеры мотор-редукторы Bonfiglioli A 35 |
| |
A 35...M
| ТИП |
AC |
H |
L |
LD |
AD |
Вес |
LF |
Вес |
R |
AD |
R |
AD |
A 35 2 |
S1 |
M1S |
138 |
182.5 |
490.5 |
217.5 |
108 |
32 |
553.5 |
35 |
103 |
132 |
124 |
108 |
A 35 2 |
S1 |
M1L |
138 |
182.5 |
514.5 |
217.5 |
108 |
34 |
575.5 |
36 |
103 |
132 |
124 |
108 |
A 35 2 |
S2 |
M2S |
156 |
191.5 |
543.5 |
229.5 |
119 |
37 |
613.5 |
41 |
129 |
143 |
134 |
119 |
A 35 2 |
S3 |
M3S |
195 |
211 |
586.5 |
239.5 |
142 |
42 |
682.5 |
50 |
160 |
155 |
160 |
142 |
A 35 2 |
S3 |
M3L |
195 |
211 |
618.5 |
239.5 |
142 |
50 |
709.5 |
57 |
160 |
155 |
160 |
142 |
A 35 2 |
S4 |
M4S |
258 |
242.5 |
726.5 |
— |
193 |
57 |
835.5 |
70 |
204 |
193 |
200 |
193 |
A 35 2 |
S4 |
M4L |
258 |
242.5 |
726.5 |
— |
193 |
63 |
835.5 |
76 |
204 |
193 |
200 |
193 |
A 35 3 |
S05 |
M05S |
121 |
174 |
543 |
— |
95 |
33 |
609 |
34 |
96 |
119 |
116 |
95 |
A 35 3 |
S1 |
M1S |
138 |
182.5 |
548 |
— |
108 |
33 |
611 |
36 |
103 |
132 |
124 |
108 |
A 35 3 |
S1 |
M1L |
138 |
182.5 |
572 |
— |
108 |
35 |
633 |
38 |
103 |
132 |
124 |
108 |
A 35 3 |
S2 |
M2S |
156 |
191.5 |
601 |
— |
119 |
37 |
671 |
41 |
129 |
143 |
134 |
119 |
A 35 3 |
S3 |
M3S |
195 |
211 |
644 |
— |
293 |
42 |
740 |
50 |
160 |
155 |
160 |
142 |
A 35 3 |
S3 |
M3L |
195 |
211 |
676 |
— |
325 |
50 |
767 |
57 |
160 |
155 |
160 |
142 |
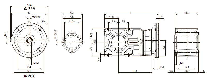
A 35...P(IEC)
| ТИП |
LD |
M |
M1 |
M2 |
N |
N1 |
N2 |
N3 |
N4 |
X |
P |
Вес |
A 35 2 |
P63 |
229.5 |
11 |
12.8 |
4 |
140 |
115 |
95 |
— |
M8x19 |
4 |
359.5 |
28 |
A 35 2 |
P71 |
229.5 |
14 |
16.3 |
5 |
160 |
130 |
110 |
— |
M8x16 |
4.5 |
359.5 |
28 |
A 35 2 |
P80 |
239.5 |
19 |
21.8 |
6 |
200 |
165 |
130 |
— |
M10x12 |
4 |
379 |
29 |
A 35 2 |
P90 |
239.5 |
24 |
27.3 |
8 |
200 |
165 |
130 |
— |
M10x12 |
4 |
379 |
29 |
A 35 2 |
P100 |
239.5 |
28 |
31.3 |
8 |
250 |
215 |
180 |
— |
M12x16 |
4.5 |
389 |
32 |
A 35 2 |
P112 |
239.5 |
28 |
31.3 |
8 |
250 |
215 |
180 |
— |
M12x16 |
4.5 |
389 |
32 |
A 35 2 |
P132 |
— |
38 |
41.3 |
10 |
300 |
265 |
230 |
16 |
14 |
5 |
425.5 |
35 |
A 35 3 |
P63 |
— |
11 |
12.8 |
4 |
140 |
115 |
95 |
— |
M8x19 |
4 |
417 |
29 |
A 35 3 |
P71 |
— |
14 |
16.3 |
5 |
160 |
130 |
110 |
— |
M8x16 |
4.5 |
417 |
29 |
A 35 3 |
P80 |
— |
19 |
21.8 |
6 |
200 |
165 |
130 |
— |
M10x12 |
4 |
436.5 |
30 |
A 35 3 |
P90 |
— |
24 |
27.3 |
8 |
200 |
165 |
130 |
— |
M10x12 |
4 |
436.5 |
30 |
A 35 3 |
P100 |
— |
28 |
31.3 |
8 |
250 |
215 |
180 |
— |
M12x16 |
4.5 |
446.5 |
34 |
A 35 3 |
P112 |
— |
28 |
31.3 |
8 |
250 |
215 |
180 |
— |
M12x16 |
4.5 |
446.5 |
34 |
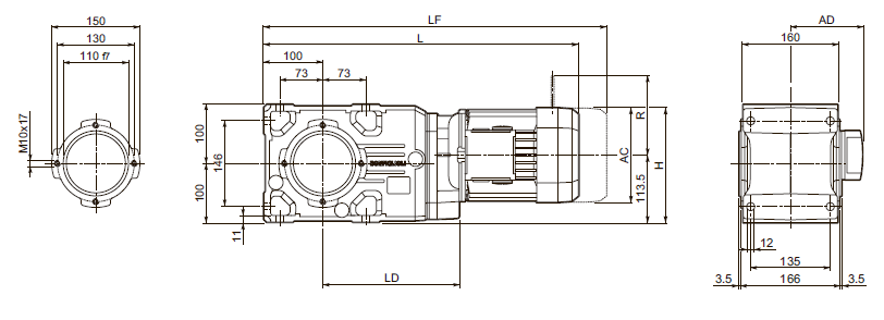
A 35...F...
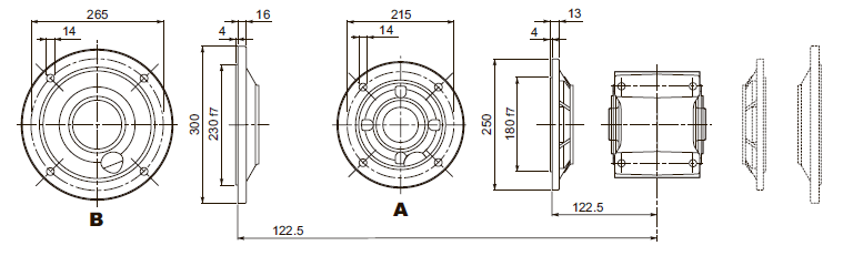
A 35...UR
A 35...UD
A 35...UH
A 35...US
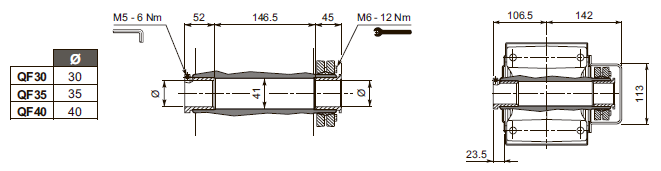
A 35...QF
A 35...UV
|
| |