
Габаритно-присоединительные размеры редукторы AM 25, AC 25, AMP 25, ACP 25, AM 35, AM 41, AM 45, AMP 35, AMP 45, AMP1 41, AMP2 41, AMF 25, ACF 25, AMF 35, AMF 41, AMF 45 |
| |
|
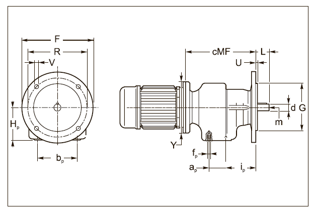
Вариант исполнения AM 25

Вариант исполнения AC 25

Вариант исполнения AMP 25

Вариант исполнения ACP 25

Вариант исполнения AM 35, AM 41, AM 45

Вариант исполнения AMP 35, AMP 45, AMP1 41, AMP2 41

AM AC |
a |
a1 |
a2 |
a3 |
A |
b |
B |
d j6(A25)-h6 |
f |
h |
H |
i |
L |
m |
Q |
S |
25 |
P |
71 |
— |
— |
9.5 |
90 |
90 |
111 |
11
(14) |
6.5 |
103 |
63 |
47
(50) |
22
(25) |
M5 |
- |
8 |
35 |
87 |
37 |
50 |
11.5 |
110 |
110 |
130 |
16
(19) (20) |
8.5 |
132 |
85 |
48 (58) (58) |
30
(40) (40) |
M6 (M6) (M6) |
- |
9 |
41 |
P1 |
87 |
37 |
50 |
11.5 |
110 |
110 |
130 |
20
(19) (25) |
8.5 |
135 |
85 |
59
(59) (69) |
40
(40) (50) |
M6 (M6) (M8) |
/2-2
/3-8 |
9 |
P2 |
85 |
— |
— |
10 |
105 |
110 |
130 |
9.5 |
130 |
80 |
58
(58) (68) |
10 |
45 |
P |
107.5 |
47.5 |
60 |
13.5 |
135 |
130 |
155 |
25
(24) (30) |
11 |
154 |
100 |
69 (69) (79) |
50
(50) (60) |
M8 (M8) (M10) |
/2-3
/3-9.5 |
11 |
|
ap |
bp |
fp |
ip |
hp |
Hp |
FM |
GM(g6) |
LM |
RM |
VM |
UM |
25 |
23 |
66 |
M6 |
49 |
95 |
55 |
55 |
33 |
9 |
46 |
M6 |
6 |
35 |
50 |
55 |
M8 |
20.5 |
122 |
75 |
95 |
60 |
11 |
80 |
8 |
5 |
41 |
50 |
67 |
M8 |
20.5 |
122 |
72 |
95 |
60 |
11 |
80 |
8 |
5 |
45 |
60 |
75 |
M8 |
22.5 |
142 |
88 |
111 |
70 |
12 |
85 |
8 |
5 |
| - |
IEC |
25 |
35 |
41 |
45 |
|
25 |
35 |
41 |
45 |
Y |
cMP |
Y |
cMP |
Y |
cMP |
Y |
cMP |
cCP |
AMP../2 |
B5 |
120 |
116 |
— |
— |
140 |
151.5 |
160 |
171.5 |
93.5 |
— |
— |
— |
140 |
116 |
140 |
126.5 |
160 |
151.5 |
200
(IEC 80) |
171.5 |
| |
160 |
126.5 |
200 |
160 |
200
(IEC 90) |
182.0 |
200 |
136.0 |
— |
— |
250 |
184.0 |
B14 |
80 |
116 |
90 |
126.5 |
90 |
151.5 |
105 |
171.5 |
90 |
116 |
105 |
126.5 |
105 |
151.5 |
120 |
171.5 |
|
120 |
136.0 |
120 |
160 |
140 |
182.0 |
|
|
140 |
160 |
160 |
184.0 |
AMP../3 |
|
120 |
116 |
120 |
144.0 |
140 |
168 |
160 |
188 |
140 |
116 |
140 |
144.0 |
160 |
168 |
200 |
188 |
|
— |
— |
|
|
— |
— |
| |
80 |
116 |
80 |
144.0 |
90 |
168 |
105 |
188 |
90 |
116 |
90 |
144.0 |
105 |
168 |
120 |
188 |
|
— |
— |
|
|
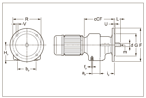
Вариант исполнения AMF 25

Вариант исполнения ACF 25

Вариант исполнения AMF 35, AMF 41, AMF 45

AM AC |
ap |
bp |
fp |
ip |
Hp |
d j6(A25)-h6 |
f |
L |
m |
Q |
S |
25 |
23 |
66 |
M6 |
49 |
55 |
11
(14) |
6.5 |
22
(25) |
M5 |
- |
8 |
35 |
50 |
55 |
M8 |
20.5 |
75 |
16
(19) (20) |
8.5 |
30
(40) (40) |
M6 (M6) (M6) |
- |
9 |
41 |
50 |
67 |
M8 |
20.5 |
72 |
20
(19) (25) |
9.5 |
40
(40) (50) |
M6 (M6) (M8) |
/2-2
/3-8 |
10 |
45 |
60 |
75 |
M8 |
22.5 |
88 |
25
(24) (30) |
11 |
50
(50) (60) |
M8 (M8) (M10) |
/2-3
/3-9.5 |
11 |
| |
AMF - ACF |
25 |
35 |
41 |
45 |
F1 |
F2 |
F1 |
F2 |
F3 |
F1 |
F2 |
F3 |
F1 |
F2 |
F |
105 |
120 |
140 |
160 |
200 |
140 |
160 |
200 |
160 |
200 |
FQ |
— |
— |
110 |
120 |
150 |
110 |
120 |
150 |
120 |
160 |
G(g6) |
70 |
80 |
95 |
110 |
130 |
95 |
110 |
130 |
110 |
130 |
R |
85 |
100 |
115 |
130 |
165 |
115 |
130 |
165 |
130 |
165 |
V |
7 |
7 |
9 |
9 |
13 |
9 |
9 |
13 |
9 |
13 |
U |
3 |
3 |
3.5 |
3.5 |
3.5 |
3.5 |
3.5 |
3.5 |
3.5 |
3.5 |
| - |
IEC |
25 |
35 |
41 |
45 |
|
25 |
35 |
41 |
45 |
Y |
cMF |
Y |
cMF |
Y |
cMF |
Y |
cMF |
cCP |
AMF../2 |
B5 |
120 |
116 |
— |
— |
140 |
151.5 |
160 |
171.5 |
93.5 |
— |
— |
— |
140 |
116 |
140 |
126.5 |
160 |
151.5 |
200
(IEC 80) |
171.5 |
|
160 |
126.5 |
200 |
160 |
200
(IEC 90) |
182.0 |
200 |
136.0 |
— |
— |
250 |
184.0 |
B14 |
80 |
116 |
90 |
126.5 |
90 |
151.5 |
105 |
171.5 |
90 |
116 |
105 |
126.5 |
105 |
151.5 |
120 |
171.5 |
|
120 |
136.0 |
120 |
160 |
140 |
182.0 |
|
|
140 |
160 |
160 |
184.0 |
AMF../3 |
B5 |
120 |
116 |
120 |
144.0 |
140 |
168 |
160 |
188.0 |
140 |
116 |
140 |
144.0 |
160 |
168 |
200 |
188.0 |
|
— |
— |
|
|
— |
— |
B1 |
80 |
116 |
80 |
144.0 |
90 |
168 |
105 |
188.0 |
90 |
116 |
90 |
144.0 |
105 |
168 |
120 |
188.0 |
|
— |
— |
|
|
|
| |