|
Монтажное исполнение фланец (тип-С)

Мотор |
B.28
k |
kB |
AC |
AD |
AG |
LL |
HH |
O |
Вес
B.28 |
LA71 |
381.5 |
436.5 |
139 |
146 |
90 |
90 |
58.5 |
M20x1.5/M25x1.5 |
10 |
LA71Z |
400.5 |
455.5 |
139 |
146 |
90 |
90 |
58.5 |
M20x1.5/M25x1.5 |
10 |
LA90S/L |
478.5 |
549.5 |
174 |
163 |
90 |
90 |
87.0 |
M20x1.5/M25x1.5 |
20 |
LA90ZL |
523.5 |
594.5 |
174 |
163 |
90 |
90 |
211.0 |
M20x1.5/M25x1.5 |
28 |
LA100L |
560.5 |
641.5 |
195 |
168 |
120 |
120 |
163.5 |
2xM32x1.5 |
29 |
LA100ZL |
630.5 |
711.5 |
195 |
168 |
120 |
120 |
295.5 |
2xM32x1.5 |
39 |
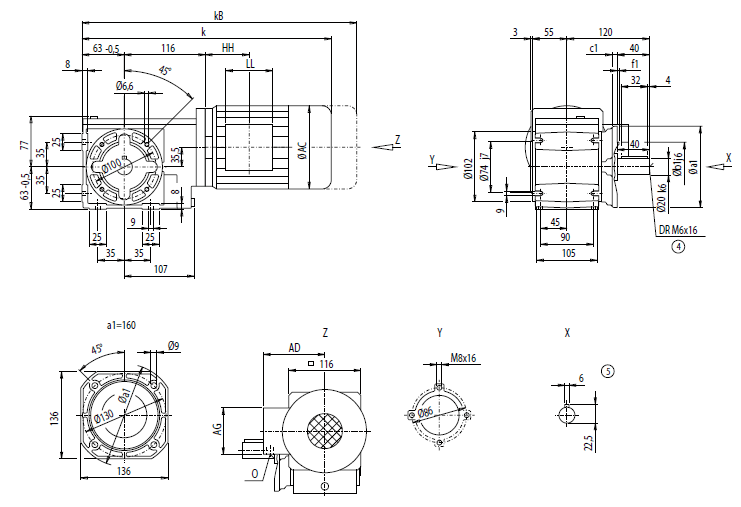
Монтажное исполнение на фланце (тип A)

| Фланец |
a1 |
b1 |
to2 |
c1 |
f1 |
A120 |
120 |
80 |
j6 |
8 |
3.0 |
A160 |
160 |
110 |
j6 |
9 |
3.5 |
| Мотор |
BF28
k |
kB |
AC |
AD |
AG |
LL |
HH |
O |
Вес
BF28 |
LA71 |
381.5 |
436.5 |
139 |
146 |
90 |
90 |
58.5 |
M20x1.5/M25x1.5 |
10 |
LA71Z |
400.5 |
455.5 |
139 |
146 |
90 |
90 |
58.5 |
M20x1.5/M25x1.5 |
10 |
LA90S/L |
478.5 |
549.5 |
174 |
163 |
90 |
90 |
87.0 |
M20x1.5/M25x1.5 |
20 |
LA90ZL |
523.5 |
594.5 |
174 |
163 |
90 |
90 |
211.0 |
M20x1.5/M25x1.5 |
29 |
LA100L |
560.5 |
641.5 |
195 |
168 |
120 |
120 |
163.5 |
2xM32x1.5 |
29 |
LA100ZL |
630.5 |
711.5 |
195 |
168 |
120 |
120 |
295.5 |
2xM32x1.5 |
39 |
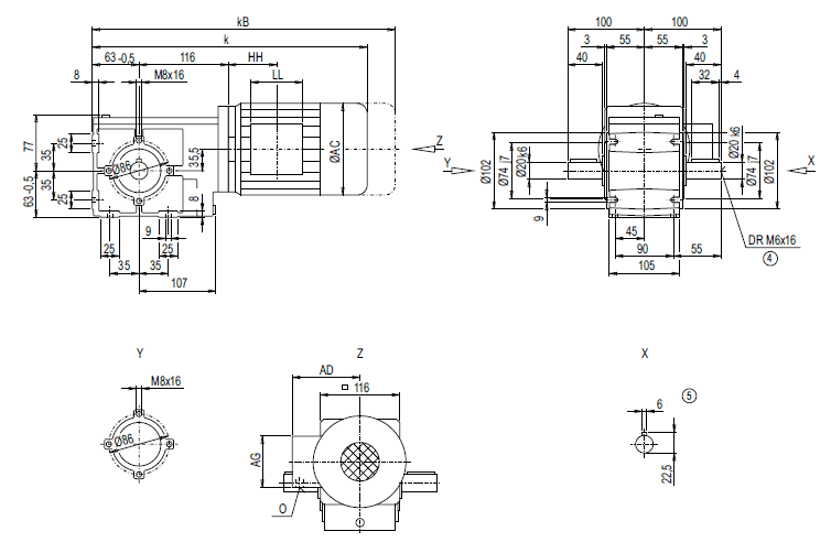
Монтажное исполнение корпус-фланец (тип C)

| d |
l9 |
l8 |
M |
t |
u |
20 *) |
23.4 |
106 |
M6 |
22.8 |
6 |
25 |
27.6 |
105 |
M10 |
28.3 |
8 |
| Мотор |
BA.28
k |
kB |
AC |
AD |
AG |
LL |
HH |
O |
Вес
BA.28 |
LA71 |
381.5 |
436.5 |
139 |
146 |
90 |
90 |
58.5 |
M20x1.5/M25x1.5 |
10 |
LA71Z |
400.5 |
455.5 |
139 |
146 |
90 |
90 |
58.5 |
M20x1.5/M25x1.5 |
10 |
LA90S/L |
478.5 |
549.5 |
174 |
163 |
90 |
90 |
87.0 |
M20x1.5/M25x1.5 |
19 |
LA90ZL |
523.5 |
594.5 |
174 |
163 |
90 |
90 |
211.0 |
M20x1.5/M25x1.5 |
28 |
LA100L |
560.5 |
641.5 |
195 |
168 |
120 |
120 |
163.5 |
2xM32x1.5 |
28 |
LA100ZL |
630.5 |
711.5 |
195 |
168 |
120 |
120 |
295.5 |
2xM32x1.5 |
38 |
|