|
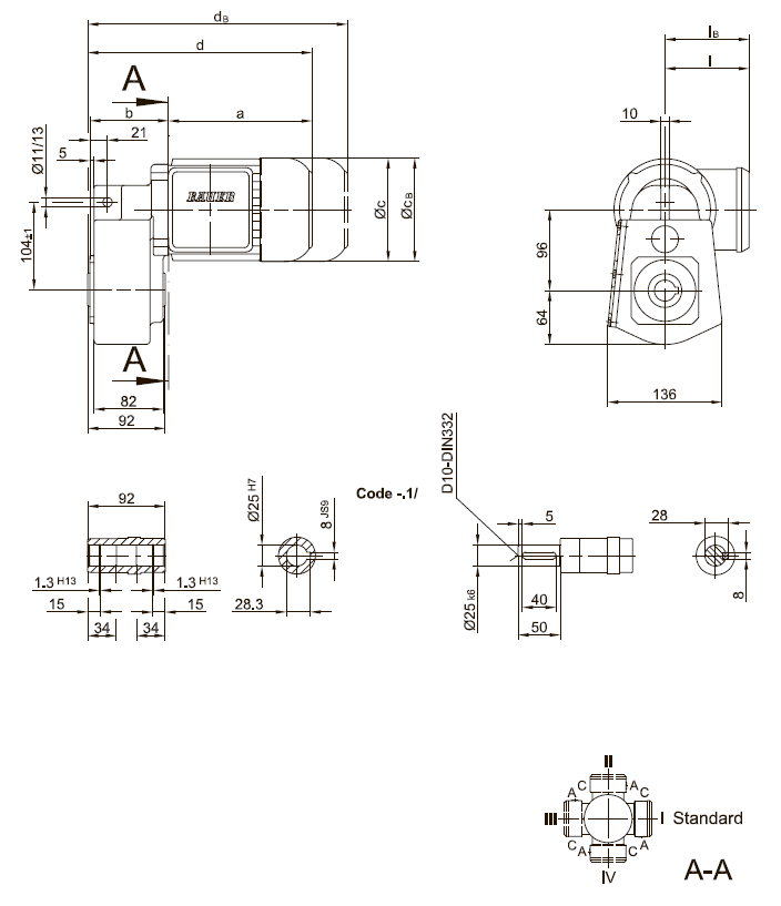
Вариант исполнения с литым моментным рычагом

Тип |
а |
b |
c |
d |
l
|
Исполнение с тормозом |
IB |
ЕООЗ |
ЕОО4 |
ЕОО8 |
|
св |
dв |
св |
dв |
св |
dв |
|
|
BF06-../D05.. |
170 |
93.5 |
123 |
267.5 |
100 |
100 |
123 |
310 |
|
|
|
|
|
|
BF06-../D06.. |
170 |
93.5 |
123 |
267.5 |
100 |
100 |
123 |
310 |
|
|
|
|
|
|
BF06-../D07.. |
190 |
94.5 |
123 |
287.5 |
100 |
100 |
123 |
330 |
123 |
330 |
|
|
|
|
BF06-../D08.. |
200 |
141 |
156 |
344 |
115 |
115 |
|
|
|
|
166 |
424 |
|
|
Фланец с резьбовыми отверстиями

Фланец со сквозными отверстиями

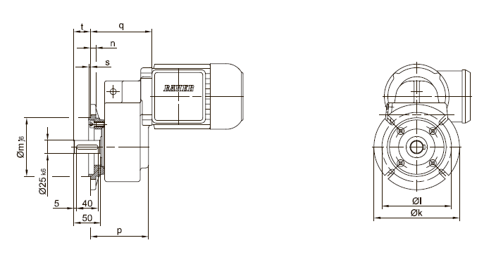
BF06 |
k |
l
|
m |
n |
о |
р |
q1) |
q2) |
s |
t |
стандартный -3./ |
140 |
115 |
95 |
10 |
9 |
108.5 |
115 |
163 |
3 |
31.5 |
большой -4./ |
160 |
130 |
11О |
10 |
9 |
108.5 |
115 |
163 |
3.5 |
31.5 |
|