|
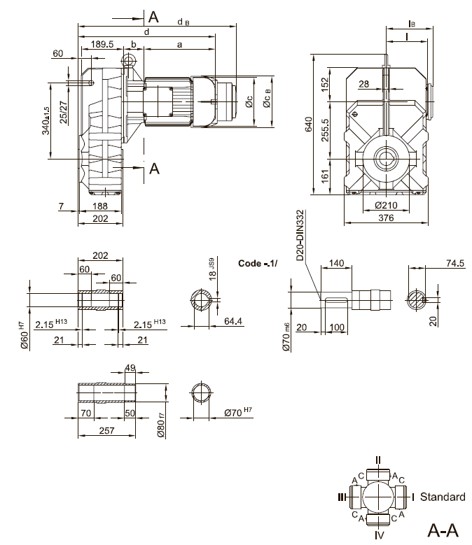
Вариант исполнения с литым моментным рычагом

BF60(Z) |
k |
l
|
m |
n |
o |
q |
s |
t
|
стандартный -3./ |
350 |
300 |
250h6 |
20 |
17.5 |
234.5 |
5 |
110.5 |
малый -2./ |
300 |
265 |
230j6 |
20 |
13.5 |
242.5 |
4 |
102.5 |
Тип |
a |
b |
c |
d |
l
|
Исполнение с тормозом |
iв |
ЕОО8 |
Z008 |
Z015 |
ЕО75 |
Z075 |
Z100 |
св |
dв |
св |
dв |
св |
dв |
св |
dв |
св |
dв |
св |
dв |
BF60Z-../D08.. |
200 |
181 |
156 |
586 |
115 |
115 |
166 |
661 |
|
|
|
|
|
|
|
|
|
|
BF60-../D09.. |
251 |
85.5 |
181 |
540 |
124 |
124 |
192 |
621 |
192 |
635 |
192 |
641 |
|
|
|
|
|
|
BF60Z-../D09.. |
251 |
195.5 |
181 |
651 |
124 |
124 |
192 |
731 |
192 |
745 |
192 |
751 |
|
|
|
|
|
|
BF60-../D11.. |
319 |
92 |
228 |
616 |
181 |
181 |
|
|
|
|
231 |
719 |
231 |
749 |
|
|
|
|
BF60Z-../D11.. |
319 |
202 |
228 |
726 |
181 |
181 |
|
|
|
|
231 |
829 |
231 |
859 |
|
|
|
|
BF60-../D13.. |
393 |
105 |
266 |
703 |
217 |
217 |
|
|
|
|
|
|
277 |
838 |
277 |
857 |
|
|
BF60-../D16.. |
429 |
119 |
322 |
753 |
243 |
243 |
|
|
|
|
|
|
326 |
886 |
326 |
905 |
326 |
925 |
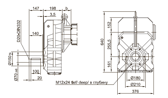
Фланец с резьбовыми отверстиями

Фланец со сквозными отверстиями

Лапы с резьбовыми отверстиями слева и справа

|