
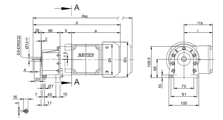
Габаритно-присоединительные размеры BG05 |
| |
|
Вариант исполнения на лапах

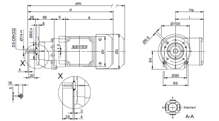
Фланец со сквозными отверстиями

| Тип |
a |
b |
c |
d |
i |
r |
|
E.. |
G |
E..G |
RR/RL |
BG05-../D04.. |
143 |
38 |
111 |
275 |
90 |
96 318.5 |
124,5 |
318.5 |
337.5 |
380.5 |
- |
BG05-../D05.. |
170 |
40 |
123 |
305 |
100 |
106 347 |
129,5 |
347 |
408 |
450 |
- |
BG05-../D06.. |
170 |
40 |
123 |
305 |
100 |
121 347 |
131,5 |
347 |
408 |
450 |
- |
BG05-../D07.. |
190 |
40 |
123 |
325 |
100 |
121 367 |
131,5 |
367 |
428 |
470 |
- |
|
| |