|
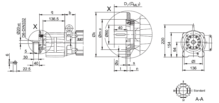
Вариант исполнения на лапах

Фланец со сквозными отверстиями

BG10(Z) |
k |
|
m |
n |
о |
q |
s |
|
D7 |
DмL7 |
стандартный -37/ |
140 |
115 |
95 |
10 |
9 |
159.5 |
3 |
40 |
d+15.5 |
dмl 15.5 |
малый -27/ |
120 |
100 |
80 |
8 |
6.6 |
154.5 |
3 |
45 |
d+15.5 |
dмl 15.5 |
Тип |
а |
b |
c |
d |
|
Исполнение с тормозом |
| iв |
ЕООЗ |
ЕОО4 |
ЕОО8 |
Z008 |
Z015 |
|
св |
dв |
св |
dв |
св |
dв |
св |
dв |
св |
dв |
|
|
BG10Z-../D04.. |
143 |
86 |
111 |
413 |
90 |
90 |
111 |
456 |
|
|
|
|
|
|
|
|
|
|
BG10-../D05.. |
170 |
62 |
123 |
417 |
100 |
100 |
123 |
459 |
|
|
|
|
|
|
|
|
|
|
BG10Z../D05.. |
170 |
88 |
123 |
443 |
100 |
100 |
123 |
485 |
|
|
|
|
|
|
|
|
|
|
BG10-../D06.. |
170 |
62 |
123 |
417 |
100 |
100 |
123 |
459 |
|
|
|
|
|
|
|
|
|
|
BG10Z-../D06.. |
170 |
88 |
123 |
443 |
100 |
100 |
123 |
485 |
|
|
|
|
|
|
|
|
|
|
BG10-../D07.. |
190 |
62 |
123 |
437 |
100 |
100 |
123 |
479 |
123 |
479 |
|
|
|
|
|
|
|
|
BG10Z-../D07.. |
190 |
88 |
123 |
463 |
100 |
100 |
123 |
505 |
123 |
505 |
|
|
|
|
|
|
|
|
BG10-../D08.. |
200 |
66 |
156 |
450 |
115 |
115 |
|
|
|
|
166 |
525 |
|
|
|
|
|
|
BG10Z-../D08.. |
200 |
132 |
156 |
516 |
115 |
115 |
|
|
|
|
166 |
591 |
|
|
|
|
|
|
BG10-../D09.. |
251 |
80.5 |
181 |
515 |
124 |
124 |
|
|
|
|
192 |
595 |
192 |
609 |
192 |
615 |
|
|
|