|
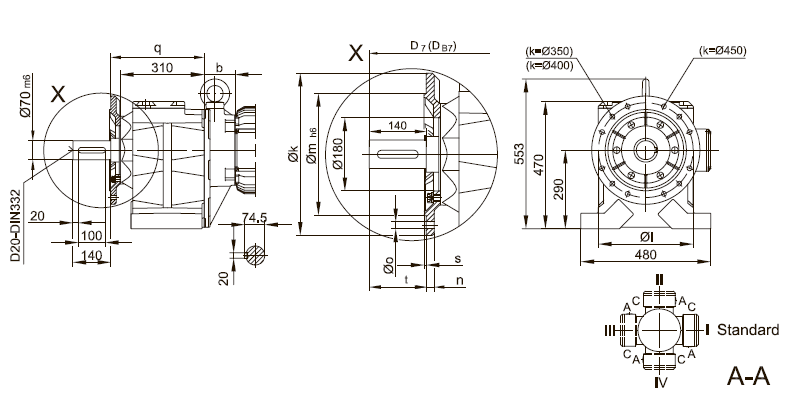
Вариант исполнения на лапах

Фланец со сквозными отверстиями

BG80(Z) |
k |
l
|
m |
n |
о |
q |
s |
t
|
В 7
|
Dв7 |
стандартный -37/ |
400 |
350 |
300 |
20 |
4 х 17.5 |
345 |
5 |
140 |
d+24
|
dв+24 |
малый -27/ |
350 |
300 |
250 |
20 |
4 х 17.5 |
345 |
5 |
140 |
d+24 |
dв+24 |
большой -47/ |
450 |
400 |
350 |
22 |
8 х 17.5 |
355 |
5 |
130 |
d+24 |
dв+24 |
Тип |
a |
b |
c |
d |
i
|
Исполнение с тормозом |
iв |
ЕОО8 |
Z008 |
Z015 |
ЕО75 |
|
св |
dв |
св |
dв |
св |
dв |
|
|
|
|
BG80Z-../009.. |
251 |
252.5 |
181 |
965 |
124 |
124 |
192 |
1043 |
192 |
1058 |
192 |
1064 |
|
|
|
|
BG80-../D11.. |
319 |
87 |
228 |
867 |
181 |
181 |
|
|
|
|
231 |
970 |
231 |
1ООО |
|
|
BG80Z-../D11.. |
319 |
259 |
228 |
1039 |
181 |
181 |
|
|
|
|
231 |
1142 |
231 |
1172 |
|
|
Тип |
a |
b |
c |
d |
i
|
iв |
ЕО75 |
Z075 |
Z100 |
Е500 |
|
св |
dв |
св |
dв |
св |
dв |
св |
dв |
|
|
BG80-../D13.. |
393 |
100 |
266 |
954 |
217 |
217 |
277 |
1089 |
277 |
1108 |
|
|
|
|
|
|
BG80Z-../D13.. |
393 |
272 |
266 |
1126 |
217 |
217 |
277 |
1261 |
277 |
1280 |
|
|
|
|
|
|
BG80-../D16.. |
429 |
114 |
322 |
1004 |
243 |
243 |
326 |
1137 |
326 |
1156 |
326 |
1176 |
|
|
|
|
BG80Z-../D16.. |
429 |
286 |
322 |
1176 |
243 |
243 |
326 |
1309 |
326 |
1328 |
326 |
1348 |
|
|
|
|
BG80-../D18.. |
528 |
136 |
368 |
1125 |
288 |
288 |
|
|
|
|
366 |
1305 |
366 |
1286 |
|
|
BG80-..-C-DNF22S |
612 |
281 |
390 |
1354 |
314 |
|
|
|
|
|
|
|
|
|
|
|
BG80-..-C-DNF22M |
652 |
281 |
390 |
1394 |
314 |
|
|