|
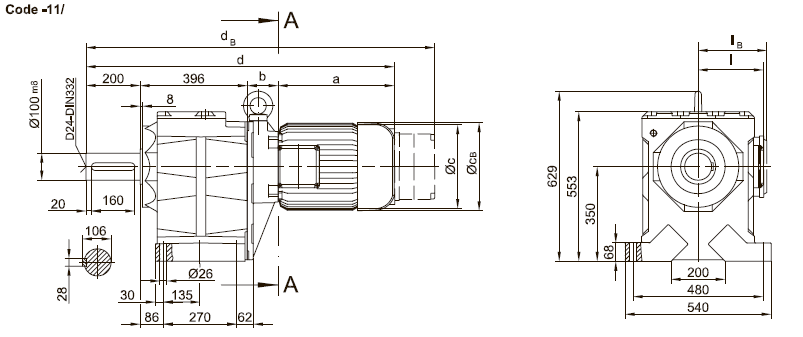
Вариант исполнения на лапах

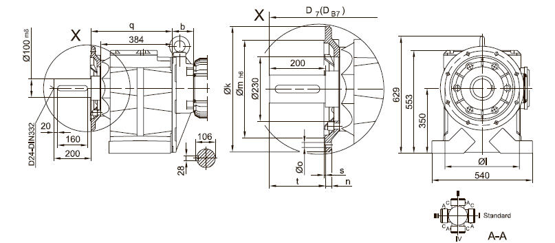
Фланец со сквозными отверстиями

BG90(Z) |
k |
l
|
m |
n |
о |
q |
s |
t
|
D7 |
Dв7 |
стандартный -37/ |
450 |
400 |
350 |
22 |
17.5 |
439 |
5 |
200 |
d+43 |
dв +43 |
большой -47/ |
550 |
500 |
450 |
22 |
17.5 |
444 |
5 |
195 |
d+43 |
dв +43 |
Тип |
a |
b |
c |
d |
i |
Исполнение с тормозом |
iв |
ЕОО8 |
Z008 |
015 |
Е075 |
|
св |
dв |
св |
dв |
св |
dв |
св |
dв |
|
|
BG100Z-../D09.. |
251 |
252.5 |
181 |
1239 |
124 |
124 |
192 |
1319 |
192 |
1333 |
192 |
1339 |
|
|
|
|
BG100-../D11.. |
319 |
87 |
228 |
1142 |
181 |
181 |
|
|
|
|
231 |
1245 |
231 |
1275 |
|
|
BG100Z-../D11.. |
319 |
259 |
228 |
1314 |
181 |
181 |
|
|
|
|
231 |
1417 |
231 |
1457 |
|
|
Тип |
a |
b |
r |
d |
i |
iв |
075 |
Z075 |
Z100 |
500 |
|
св |
dв |
св |
dв |
св |
dв |
св |
dв |
|
|
EG100-../D13.. |
393 |
100 |
r55 |
1229 |
217 |
217 |
277 |
1364 |
277 |
1383 |
|
|
|
|
|
|
BG100Z-../D13.. |
393 |
272 |
266 |
1401 |
217 |
217 |
277 |
1536 |
277 |
1555 |
|
|
|
|
|
|
BG100-../D16.. |
429 |
114 |
322 |
1279 |
243 |
243 |
326 |
1412 |
326 |
1431 |
326 |
1451 |
|
|
|
|
BG100Z-../D16.. |
429 |
286 |
322 |
1451 |
243 |
243 |
326 |
1584 |
326 |
1603 |
326 |
1623 |
|
|
|
|
EG100-../D18.. |
528 |
136 |
368 |
1400 |
288 |
288 |
|
|
|
|
366 |
1580 |
366 |
1561 |
|
|
EG100-..-C-DNF22S |
612 |
281 |
390 |
1629 |
314 |
|
|
|
|
|
|
|
|
|
|
|
BG100-..-C-DNF22M |
652 |
281 |
390 |
1669 |
314 |
|
|
|
|
|
|
|
|
|
|
|
|