|
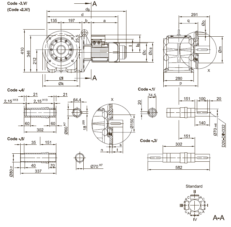
Фланец со сквозными отверстиями

BK60(Z) |
k |
l |
m |
n |
о |
р |
q |
s |
t |
стандартный -3.V/ |
350 |
300 |
250h6 |
20 |
17.5 |
324 |
180 |
5 |
111 |
малый -2.V/ |
300 |
265 |
230j6 |
20 |
13.5 |
332 |
188 |
4 |
103 |
Тип |
a |
b |
c |
d |
l
|
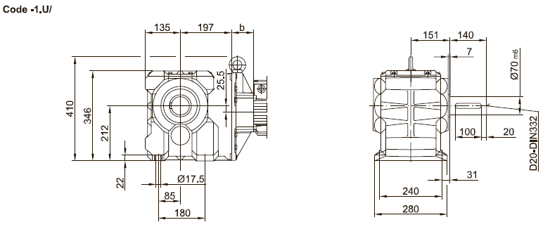
Исполнение с тормозом |
lв |
Е008 |
Z008 |
Z015 |
Е075 |
Z075 |
Z100 |
св |
dв |
св |
dв |
св |
dв |
св |
dв |
св |
dв |
св |
dв |
BK60Z-../008.. |
200 |
181 |
156 |
713 |
115 |
115 |
166 |
788 |
|
|
|
|
|
|
|
|
|
|
ВК60-../009.. |
251 |
85.5 |
181 |
668 |
124 |
124 |
192 |
748 |
192 |
762 |
192 |
768 |
|
|
|
|
|
|
BK60Z-../D09.. |
251 |
195.5 |
181 |
778 |
124 |
124 |
192 |
858 |
192 |
872 |
192 |
878 |
|
|
|
|
|
|
BK60-../D11.. |
319 |
92 |
228 |
743 |
181 |
181 |
|
|
|
|
231 |
846 |
231 |
876 |
|
|
|
|
BK60Z-../011.. |
319 |
202 |
228 |
853 |
181 |
181 |
|
|
|
|
231 |
956 |
231 |
986 |
|
|
|
|
BK60-../D13.. |
393 |
105 |
266 |
830 |
217 |
217 |
|
|
|
|
|
|
277 |
965 |
277 |
984 |
|
|
BK60-../D16.. |
429 |
119 |
322 |
880 |
243 |
243 |
|
|
|
|
|
|
326 |
1013 |
326 |
1032 |
326 |
1052 |
Исполнение с моментным рычагом

Фланец резьбовыми отверстиями впереди

Лапы с резьбовыми отверстиями внизу

Лапы со сквозными отверстиями внизу

|