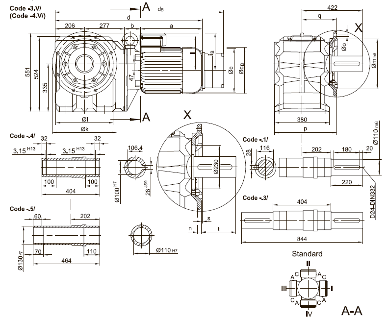
|
Фланец со сквозными отверстиями

BK80(Z) |
k |
l
|
m |
n |
о |
р |
q |
s |
t |
cтандартный -3.V/ |
450 |
400 |
350 |
22 |
17.5 |
439 |
245 |
5 |
177 |
большой -4.V/ |
550 |
500 |
450 |
22 |
17.5 |
444 |
250 |
5 |
172 |
Тип |
a |
b |
c |
d |
l
|
Исполнение с тормозом |
lв |
Е008 |
Z008 |
Z015 |
Е075 |
|
св |
dв |
св |
dв |
св |
dв |
св |
dв |
|
|
BK80Z-../009.. |
251 |
252.5 |
181 |
986 |
124 |
124 |
192 |
1066 |
192 |
1080 |
192 |
1086 |
|
|
|
|
BK80-../D11.. |
319 |
87 |
228 |
889 |
181 |
181 |
|
|
|
|
231 |
992 |
231 |
1022 |
|
|
BK80Z-../D11.. |
319 |
259 |
228 |
1061 |
181 |
181 |
|
|
|
|
231 |
1164 |
231 |
1194 |
|
|
Тур/ Туре/ Тип |
a |
b |
c |
d |
l |
lв |
Е075 |
Z075 |
Z100 |
Е500 |
|
св |
dв |
св |
dв |
св |
dв |
св |
dв |
|
|
BK80-../D13.. |
393 |
100 |
266 |
976 |
217 |
217 |
277 |
1111 |
277 |
1130 |
|
|
|
|
|
|
BK80Z-../D13.. |
393 |
272 |
266 |
1148 |
217 |
217 |
277 |
1283 |
277 |
1302 |
|
|
|
|
|
|
BK80-../D16.. |
429 |
114 |
322 |
1026 |
243 |
243 |
326 |
1159 |
326 |
1178 |
326 |
1198 |
|
|
|
|
BK80Z-../D16.. |
429 |
286 |
322 |
1198 |
243 |
243 |
326 |
1331 |
326 |
1350 |
326 |
1370 |
|
|
|
|
BK80-../D18.. |
528 |
136 |
368 |
1147 |
288 |
288 |
|
|
|
|
366 |
1327 |
366 |
1308 |
|
|
BK80-..-C-DNF22S |
612 |
281 |
390 |
1376 |
314 |
|
|
|
|
|
|
|
|
|
|
|
BK80-..-C-DNF22M |
652 |
281 |
390 |
1416 |
314 |
|
|
|
|
|
|
|
|
|
|
|
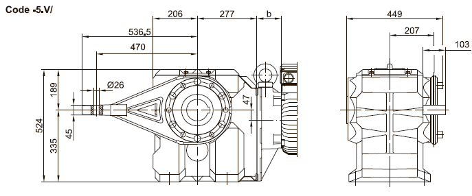
Исполнение с моментным рычагом

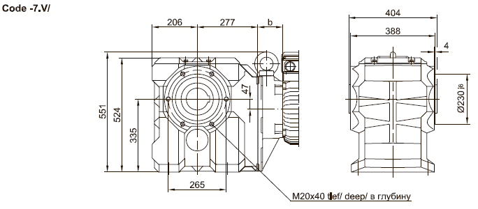
Фланец резьбовыми отверстиями впереди

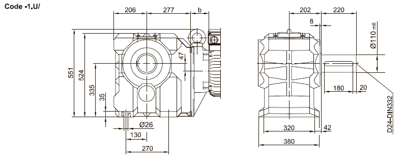
Лапы со сквозными отверстиями внизу

|