Червячный мотор-редуктор CM030 TRANSTECNO

 

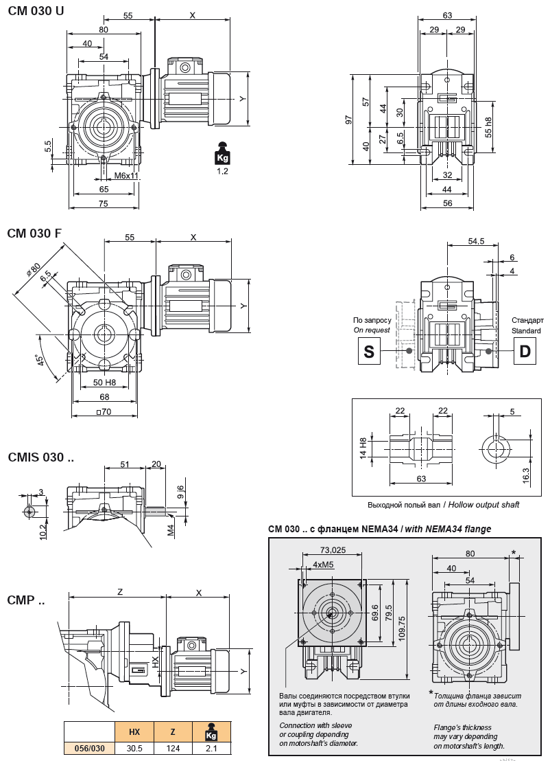
Мотор-редуктор CM030 TRANSTECNO имеет червячный тип передачи. Выходной вал полый со шпоночным пазом. Диаметр вала – 14 мм. Корпус редуктора имеет небольшой вес т.к. изготовлен из алюминия.

 

Назад

Червячный мотор-редуктор CM030

Назад

 
© 2014 Редукторы, мотор-редукторы, устройства плавного пуска, преобразователи частоты