|
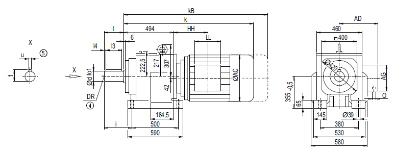
Монтажное исполнение на лапах D168, Z168

| d |
to1 |
l |
l4 |
l3 |
t |
u |
i |
DR |
100 *) |
m6 |
210 |
15 |
180 |
106 |
28 |
260 |
M24x50 |
110 |
m6 |
210 |
15 |
180 |
116 |
28 |
260 |
M24x50 |
120 |
m6 |
210 |
15 |
180 |
127 |
32 |
260 |
M24x50 |
| Мотор |
Z168
k |
kB |
D168
k |
kB |
AC |
AD |
AG |
LL |
Z168
HH |
D168
HH |
O |
Вес
Z168 D168 |
LA132S/M |
878.0 |
980.0 |
919.0 |
1 021.0 |
259.0 |
195.0 |
140 |
140 |
122.5 |
163.5 |
2xM32x1.5 |
491 |
508 |
LA132ZM |
924.0 |
1 026.0 |
965.0 |
1 067.0 |
259.0 |
195.0 |
140 |
140 |
230.5 |
271.5 |
2xM32x1.5 |
512 |
529 |
LA160M/L |
978.0 |
1 096.5 |
1 019.0 |
1 137.5 |
313.5 |
227.0 |
165 |
165 |
145.5 |
186.5 |
2xM40x1.5 |
524 |
543 |
LA160ZL |
1 026.0 |
1 144.5 |
1 067.0 |
1 185.5 |
313.5 |
227.0 |
165 |
165 |
298.5 |
339.5 |
2xM40x1.5 |
563 |
582 |
LG180M/L |
1 037.5 |
1 159.5 |
1 078.5 |
1 200.5 |
348.0 |
322.5 |
260 |
192 |
162.5 |
203.5 |
2xM40x1.5 |
620 |
639 |
LG180ZM/ZL |
1 088.5 |
1 210.5 |
1 129.5 |
1 251.5 |
348.0 |
322.5 |
260 |
192 |
162.5 |
203.5 |
2xM40x1.5 |
650 |
669 |
LG200L |
1 093.5 |
1 219.5 |
1 134.5 |
1 260.5 |
385.0 |
301.0 |
260 |
192 |
192.5 |
233.5 |
2xM50x1.5 |
700 |
719 |
LG225S |
1 164.5 |
1 403.5 |
1 205.5 |
1 444.5 |
442.0 |
325.0 |
260 |
192 |
228.5 |
269.5 |
2xM50x1.5 |
772 |
792 |
LG225M |
1 164.5 |
1 403.5 |
1 205.5 |
1 444.5 |
442.0 |
325.0 |
260 |
192 |
228.5 |
269.5 |
2xM50x1.5 |
760 |
780 |
LG225ZM |
1 224.5 |
1 463.5 |
1 265.5 |
1 504.5 |
442.0 |
325.0 |
260 |
192 |
228.5 |
269.5 |
2xM50x1.5 |
818 |
838 |
LG250M |
1 258.0 |
1 483.0 |
– |
– |
495.0 |
392.0 |
300 |
236 |
264.0 |
– |
2xM63x1.5 |
862 |
– |
LG250ZM |
1 328.0 |
1 553.5 |
– |
– |
495.0 |
392.0 |
300 |
236 |
264.0 |
– |
2xM63x1.5 |
965 |
– |
K4-LGI280S |
1 537.5 |
1 764.5 |
– |
– |
555.0 |
432.0 |
300 |
236 |
475.5 |
– |
2xM63x1.5 |
991 |
– |
K4-LGI280M |
1 537.5 |
1 764.5 |
– |
– |
555.0 |
432.0 |
300 |
236 |
475.5 |
– |
2xM63x1.5 |
1 097 |
– |
K4-LGI280ZM |
1 647.5 |
1 874.5 |
– |
– |
555.0 |
432.0 |
300 |
236 |
475.5 |
– |
2xM63x1.5 |
1 185 |
– |
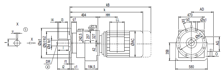
Монтажное исполнение на фланце DF/ZF168 (тип A)

| Фланец |
a1 |
b1 |
to2 |
c1 |
e1 |
f1 |
q1 |
s1 |
d |
to1 |
l |
l4 |
l3 |
t |
u |
i2 |
DR |
A450 |
450 |
350 |
h6 |
31 |
400 |
5 |
65 |
17.5 |
100 *) |
m6 |
210 |
15 |
180 |
106 |
28 |
210 |
M24x50 |
110 |
m6 |
210 |
15 |
180 |
116 |
28 |
210 |
M24x50 |
120 |
m6 |
210 |
15 |
180 |
127 |
32 |
210 |
M24x50 |
A550 |
550 |
450 |
h6 |
31 |
500 |
5 |
65 |
17.5 |
100 *) |
m6 |
210 |
15 |
180 |
106 |
28 |
210 |
M24x50 |
110 |
m6 |
210 |
15 |
180 |
116 |
28 |
210 |
M24x50 |
120 |
m6 |
210 |
15 |
180 |
127 |
32 |
210 |
M24x50 |
A660 |
660 |
550 |
h6 |
31 |
600 |
5 |
65 |
22.0 |
100 *) |
m6 |
210 |
15 |
180 |
106 |
28 |
210 |
M24x50 |
110 |
m6 |
210 |
15 |
180 |
116 |
28 |
210 |
M24x50 |
120 |
m6 |
210 |
15 |
180 |
127 |
32 |
210 |
M24x50 |
| Мотор |
ZF168
k |
kB |
DF168
k |
kB |
AC |
AD |
AG |
LL |
ZF168
HH |
DF168
HH |
O |
Вес
ZF168 DF168 |
LA132S/M |
878.0 |
980.0 |
919.0 |
1 021.0 |
259.0 |
195.0 |
140 |
140 |
122.5 |
163.5 |
2xM32x1.5 |
466 |
484 |
LA132ZM |
924.0 |
1 026.0 |
965.0 |
1 067.0 |
259.0 |
195.0 |
140 |
140 |
230.5 |
271.5 |
2xM32x1.5 |
487 |
505 |
LA160M/L |
978.0 |
1 096.5 |
1 019.0 |
1 137.5 |
313.5 |
227.0 |
165 |
165 |
145.5 |
186.5 |
2xM40x1.5 |
500 |
518 |
LA160ZL |
1 026.0 |
1 144.5 |
1 067.0 |
1 185.5 |
313.5 |
227.0 |
165 |
165 |
298.5 |
339.5 |
2xM40x1.5 |
539 |
557 |
LG180M/L |
1 037.5 |
1 159.5 |
1 078.5 |
1 200.5 |
348.0 |
322.5 |
260 |
192 |
162.5 |
203.5 |
2xM40x1.5 |
595 |
614 |
LG180ZM/ZL |
1 088.5 |
1 210.5 |
1 129.5 |
1 251.5 |
348.0 |
322.5 |
260 |
192 |
162.5 |
203.5 |
2xM40x1.5 |
625 |
644 |
LG200L |
1 093.5 |
1 219.5 |
1 134.5 |
1 260.5 |
385.0 |
301.0 |
260 |
192 |
192.5 |
233.5 |
2xM50x1.5 |
675 |
694 |
LG225S |
1 164.5 |
1 403.5 |
1 205.5 |
1 444.5 |
442.0 |
325.0 |
260 |
192 |
228.5 |
269.5 |
2xM50x1.5 |
747 |
767 |
LG225M |
1 164.5 |
1 403.5 |
1 205.5 |
1 444.5 |
442.0 |
325.0 |
260 |
192 |
228.5 |
269.5 |
2xM50x1.5 |
735 |
755 |
LG225ZM |
1 224.5 |
1 463.5 |
1 265.5 |
1 504.5 |
442.0 |
325.0 |
260 |
192 |
228.5 |
269.5 |
2xM50x1.5 |
793 |
813 |
LG250M |
1 258.0 |
1 483.0 |
– |
– |
495.0 |
392.0 |
300 |
236 |
264.0 |
– |
2xM63x1.5 |
837 |
– |
LG250ZM |
1 328.0 |
1 553.5 |
– |
– |
495.0 |
392.0 |
300 |
236 |
264.0 |
– |
2xM63x1.5 |
940 |
– |
K4-LGI280S |
1 537.5 |
1 764.5 |
– |
– |
555.0 |
432.0 |
300 |
236 |
475.5 |
– |
2xM63x1.5 |
966 |
– |
K4-LGI280M |
1 537.5 |
1 764.5 |
– |
– |
555.0 |
432.0 |
300 |
236 |
475.5 |
– |
2xM63x1.5 |
1 072 |
– |
K4-LGI280ZM |
1 647.5 |
1 874.5 |
– |
– |
555.0 |
432.0 |
300 |
236 |
475.5 |
– |
2xM63x1.5 |
1 160 |
– |
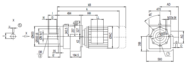
Монтажное исполнение на фланце DZ/ZZ168 (тип С)

| d |
to1 |
l |
l4 |
l3 |
t |
u |
i2 |
DR |
100 |
m6 |
210 |
15 |
180 |
106 |
28 |
251 |
M24x50 |
110 |
m6 |
210 |
15 |
180 |
116 |
28 |
251 |
M24x50 |
120*) |
m6 |
210 |
15 |
180 |
127 |
32 |
251 |
M24x50 |
| Мотор |
ZZ168
k |
kB |
DZ168
k |
kB |
AC |
AD |
AG |
LL |
ZZ168
HH |
DZ168
HH |
O |
Вес
ZZ168 DZ168 |
LA132S/M |
878.0 |
980.0 |
919.0 |
1 021.0 |
259.0 |
195.0 |
140 |
140 |
122.5 |
163.5 |
2xM32x1.5 |
447 |
465 |
LA132ZM |
924.0 |
1 026.0 |
965.0 |
1 067.0 |
259.0 |
195.0 |
140 |
140 |
230.5 |
271.5 |
2xM32x1.5 |
468 |
486 |
LA160M/L |
978.0 |
1 096.5 |
1 019.0 |
1 137.5 |
313.5 |
227.0 |
165 |
165 |
145.5 |
186.5 |
2xM40x1.5 |
481 |
499 |
LA160ZL |
1 026.0 |
1 144.5 |
1 067.0 |
1 185.5 |
313.5 |
227.0 |
165 |
165 |
298.5 |
339.5 |
2xM40x1.5 |
520 |
538 |
LG180M/L |
1 037.5 |
1 159.5 |
1 078.5 |
1 200.5 |
348.0 |
322.5 |
260 |
192 |
162.5 |
203.5 |
2xM40x1.5 |
576 |
595 |
LG180ZM/ZL |
1 088.5 |
1 210.5 |
1 129.5 |
1 251.5 |
348.0 |
322.5 |
260 |
192 |
162.5 |
203.5 |
2xM40x1.5 |
606 |
625 |
LG200L |
1 093.5 |
1 219.5 |
1 134.5 |
1 260.5 |
385.0 |
301.0 |
260 |
192 |
192.5 |
233.5 |
2xM50x1.5 |
656 |
675 |
LG225S |
1 164.5 |
1 403.5 |
1 205.5 |
1 444.5 |
442.0 |
325.0 |
260 |
192 |
228.5 |
269.5 |
2xM50x1.5 |
728 |
748 |
LG225M |
1 164.5 |
1 403.5 |
1 205.5 |
1 444.5 |
442.0 |
325.0 |
260 |
192 |
228.5 |
269.5 |
2xM50x1.5 |
716 |
736 |
LG225ZM |
1 224.5 |
1 463.5 |
1 265.5 |
1 504.5 |
442.0 |
325.0 |
260 |
192 |
228.5 |
269.5 |
2xM50x1.5 |
774 |
794 |
LG250M |
1 258.0 |
1 483.0 |
– |
– |
495.0 |
392.0 |
300 |
236 |
264.0 |
– |
2xM63x1.5 |
818 |
– |
LG250ZM |
1 328.0 |
1 553.5 |
– |
– |
495.0 |
392.0 |
300 |
236 |
264.0 |
– |
2xM63x1.5 |
921 |
– |
K4-LGI280S |
1 537.5 |
1 764.5 |
– |
– |
555.0 |
432.0 |
300 |
236 |
475.5 |
– |
2xM63x1.5 |
947 |
– |
K4-LGI280M |
1 537.5 |
1 764.5 |
– |
– |
555.0 |
432.0 |
300 |
236 |
475.5 |
– |
2xM63x1.5 |
1 053 |
– |
K4-LGI280ZM |
1 647.5 |
1 874.5 |
– |
– |
555.0 |
432.0 |
300 |
236 |
475.5 |
– |
2xM63x1.5 |
1 141 |
– |
|