|
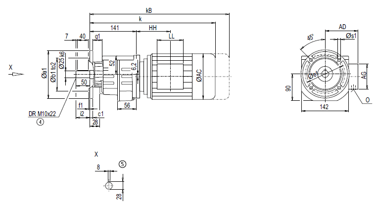
Монтажное исполнение на лапах D28, Z28

| Мотор |
Z28
k |
kB |
D28
k |
kB |
AC |
AD |
AG |
LL |
HH |
O |
Вес
Z28 |
D28 |
LA71 |
337.5 |
392.5 |
337.5 |
392.5 |
139 |
146 |
90 |
90 |
58.5 |
M20x1.5/M25x1.5 |
9 |
9 |
LA71Z |
356.5 |
411.5 |
356.5 |
411.5 |
139 |
146 |
90 |
90 |
58.5 |
M20x1.5/M25x1.5 |
9 |
9 |
LA80 |
439.5 |
503.0 |
439.5 |
503.0 |
156.5 |
155 |
90 |
90 |
123.0 |
M20x1.5/M25x1.5 |
14 |
14 |
LA80Z |
462.0 |
525.5 |
462.0 |
525.5 |
156.5 |
155 |
90 |
90 |
196.0 |
M20x1.5/M25x1.5 |
18 |
18 |
LA90S/L |
434.5 |
505.5 |
434.5 |
505.5 |
174 |
163 |
90 |
90 |
87.0 |
M20x1.5/M25x1.5 |
18 |
19 |
LA90ZL |
479.5 |
550.5 |
479.5 |
550.5 |
174 |
163 |
90 |
90 |
211.0 |
M20x1.5/M25x1.5 |
27 |
28 |
LA100L |
516.5 |
597.5 |
– |
– |
195 |
168 |
120 |
120 |
163.5 |
2xM32x1.5 |
28 |
– |
LA100ZL |
586.5 |
667.5 |
– |
– |
195 |
168 |
120 |
120 |
295.5 |
2xM32x1.5 |
38 |
– |
Монтажное исполнение на фланце DF/ZF28 (тип A)

| Фланец |
a1 |
b1 |
to2 |
c1 |
e1 |
f1 |
q1 |
s1 |
i2 |
A120 |
120 |
80 |
j6 |
8 |
100 |
3.0 |
28 |
6.6 |
50 |
A140 |
140 |
95 |
j6 |
9 |
115 |
3.0 |
27 |
9.0 |
50 |
A160 |
160 |
110 |
j6 |
9 |
130 |
3.5 |
27 |
9.0 |
50 |
| Мотор |
ZF28
k |
kB |
DF28
k |
kB |
AC |
AD |
AG |
LL |
HH |
O |
Вес
ZF28 |
DF28 |
LA71 |
343.5 |
398.5 |
343.5 |
398.5 |
139 |
146 |
90 |
90 |
58.5 |
M20x1.5/M25x1.5 |
9 |
9 |
LA71Z |
362.5 |
417.5 |
362.5 |
417.5 |
139 |
146 |
90 |
90 |
58.5 |
M20x1.5/M25x1.5 |
9 |
9 |
LA80 |
445.5 |
509.0 |
445.5 |
509.0 |
156.5 |
155 |
90 |
90 |
123.0 |
M20x1.5/M25x1.5 |
14 |
14 |
LA80Z |
468.0 |
530.5 |
468.0 |
530.5 |
156.5 |
155 |
90 |
90 |
196.0 |
M20x1.5/M25x1.5 |
18 |
18 |
LA90S/L |
440.5 |
511.5 |
440.5 |
511.5 |
174 |
163 |
90 |
90 |
87.0 |
M20x1.5/M25x1.5 |
18 |
19 |
LA90ZL |
485.5 |
556.5 |
485.5 |
556.5 |
174 |
163 |
90 |
90 |
211.0 |
M20x1.5/M25x1.5 |
27 |
28 |
LA100L |
522.5 |
603.5 |
– |
– |
195 |
168 |
120 |
120 |
163.5 |
2xM32x1.5 |
28 |
– |
LA100ZL |
592.5 |
673.5 |
– |
– |
195 |
168 |
120 |
120 |
295.5 |
2xM32x1.5 |
38 |
– |
|