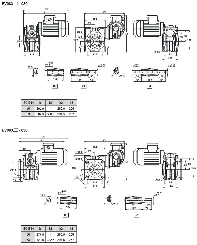
Червячный мотор-редуктор EN063-EV030

 

Назад

Червячный мотор-редуктор EN063-EV030

Назад

 
© 2014 Редукторы, мотор-редукторы, устройства плавного пуска, преобразователи частоты