|
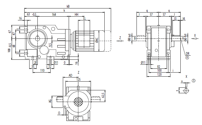
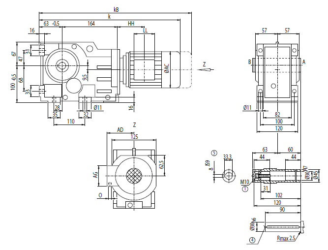
Монтажное исполнение фланец (тип-С)

| d |
to1 |
l |
l3 |
l4 |
t |
u |
i |
q |
DR |
25 *) |
k6 |
50 |
40 |
5 |
28 |
8 |
60 |
110 |
M10x22 |
35 |
k6 |
70 |
56 |
5 |
38 |
10 |
80 |
130 |
M12x28 |
| Мотор |
K38
k |
kB |
AC |
AD |
AG |
LL |
HH |
O |
Вес
K38 |
LA71 |
485.5 |
540.5 |
139.0 |
146 |
90 |
90 |
114.5 |
M20x1.5/M25x1.5 |
20 |
LA71Z |
504.5 |
559.5 |
139.0 |
146 |
90 |
90 |
114.5 |
M20x1.5/M25x1.5 |
20 |
LA80 |
522.5 |
586.0 |
156.5 |
155 |
90 |
90 |
114.0 |
M20x1.5/M25x1.5 |
25 |
LA80Z |
545.0 |
608.5 |
156.5 |
155 |
90 |
90 |
187.0 |
M20x1.5/M25x1.5 |
29 |
LA90S/L |
553.5 |
624.5 |
174.0 |
163 |
90 |
90 |
114.0 |
M20x1.5/M25x1.5 |
29 |
LA90ZL |
598.5 |
669.5 |
174.0 |
163 |
90 |
90 |
238.0 |
M20x1.5/M25x1.5 |
35 |
LA100L |
599.5 |
680.5 |
195.0 |
168 |
120 |
120 |
154.5 |
2xM32x1.5 |
38 |
LA100ZL |
669.5 |
750.5 |
195.0 |
168 |
120 |
120 |
286.5 |
2xM32x1.5 |
48 |
LA112M |
629.0 |
710.0 |
219.0 |
181 |
120 |
120 |
160.0 |
2xM32x1.5 |
49 |
LA112ZM |
657.0 |
738.0 |
219.0 |
181 |
120 |
120 |
264.0 |
2xM32x1.5 |
56 |
Монтажное исполнение на фланце (тип A)

| Мотор |
KF38
k |
kB |
AC |
AD |
AG |
LL |
HH |
O |
Вес
KF38 |
LA71 |
492.5 |
547.5 |
139.0 |
146 |
90 |
90 |
114.5 |
M20x1.5/M25x1.5 |
21 |
LA71Z |
511.5 |
566.5 |
139.0 |
146 |
90 |
90 |
114.5 |
M20x1.5/M25x1.5 |
21 |
LA80 |
529.5 |
593.0 |
156.5 |
155 |
90 |
90 |
114.0 |
M20x1.5/M25x1.5 |
26 |
LA80Z |
552.0 |
615.5 |
156.5 |
155 |
90 |
90 |
187.0 |
M20x1.5/M25x1.5 |
30 |
LA90S/L |
560.5 |
631.5 |
174.0 |
163 |
90 |
90 |
114.0 |
M20x1.5/M25x1.5 |
31 |
LA90ZL |
605.5 |
676.5 |
174.0 |
163 |
90 |
90 |
238.0 |
M20x1.5/M25x1.5 |
37 |
LA100L |
606.5 |
687.5 |
195.0 |
168 |
120 |
120 |
154.5 |
2xM32x1.5 |
40 |
LA100ZL |
676.5 |
757.5 |
195.0 |
168 |
120 |
120 |
286.5 |
2xM32x1.5 |
50 |
LA112M |
636.0 |
717.0 |
219.0 |
181 |
120 |
120 |
160.0 |
2xM32x1.5 |
50 |
LA112ZM |
664.0 |
745.0 |
219.0 |
181 |
120 |
120 |
264.0 |
2xM32x1.5 |
57 |
Монтажное исполнение корпус-фланец (тип C)

| Мотор |
KA38
k |
kB |
AC |
AD |
AG |
LL |
HH |
O |
Вес
KA38 |
LA71 |
485.5 |
540.5 |
139.0 |
146 |
90 |
90 |
114.5 |
M20x1.5/M25x1.5 |
18 |
LA71Z |
504.5 |
559.5 |
139.0 |
146 |
90 |
90 |
114.5 |
M20x1.5/M25x1.5 |
18 |
LA80 |
522.5 |
586.0 |
156.5 |
155 |
90 |
90 |
114.0 |
M20x1.5/M25x1.5 |
23 |
LA80Z |
545.0 |
608.5 |
156.5 |
155 |
90 |
90 |
187.0 |
M20x1.5/M25x1.5 |
27 |
LA90S/L |
553.5 |
624.5 |
174.0 |
163 |
90 |
90 |
114.0 |
M20x1.5/M25x1.5 |
28 |
LA90ZL |
598.5 |
669.5 |
174.0 |
163 |
90 |
90 |
238.0 |
M20x1.5/M25x1.5 |
34 |
LA100L |
599.5 |
680.5 |
195.0 |
168 |
120 |
120 |
154.5 |
2xM32x1.5 |
37 |
LA100ZL |
669.5 |
750.5 |
195.0 |
168 |
120 |
120 |
286.5 |
2xM32x1.5 |
47 |
LA112M |
629.0 |
710.0 |
219.0 |
181 |
120 |
120 |
160.0 |
2xM32x1.5 |
48 |
LA112ZM |
657.0 |
738.0 |
219.0 |
181 |
120 |
120 |
264.0 |
2xM32x1.5 |
55 |
|