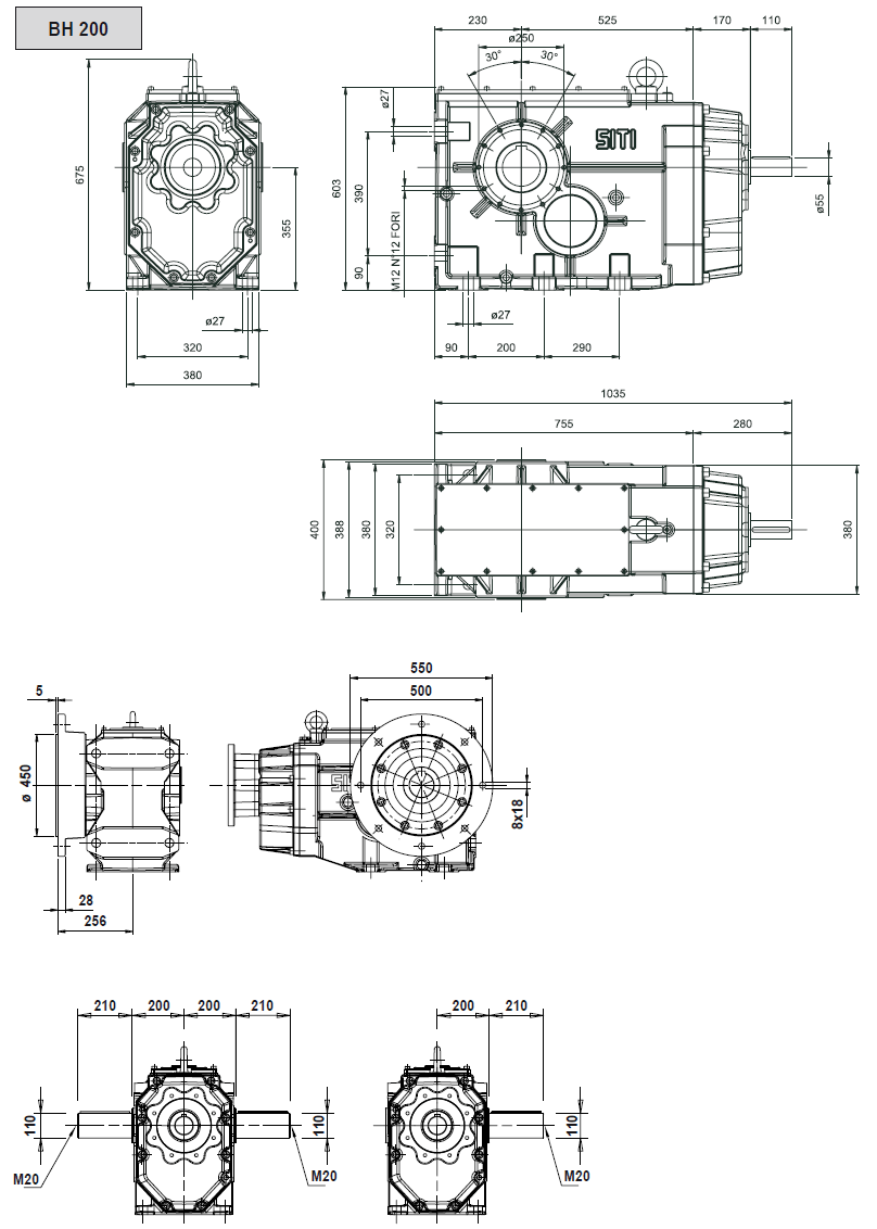
Габаритно-присоединительные размеры MBH 200

 

Назад

Габаритно-присоединительные размеры MBH 200

i
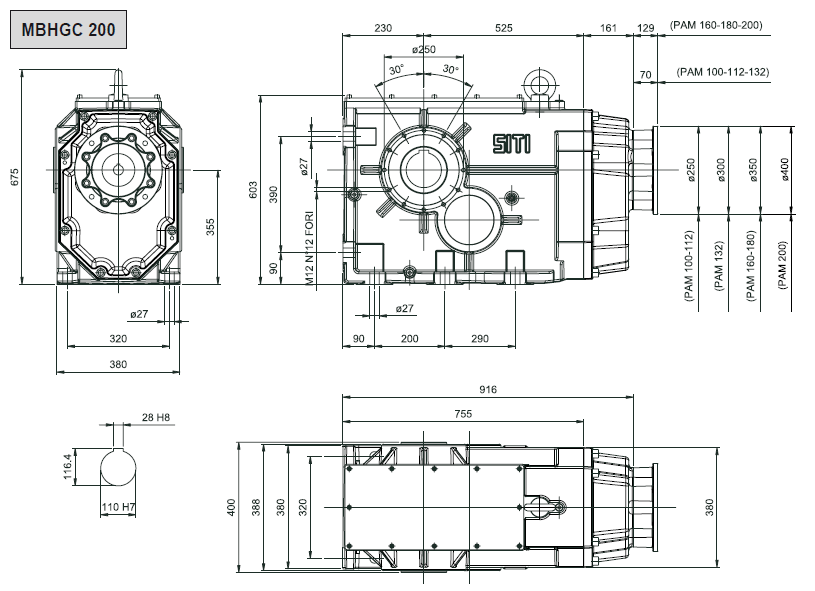
MBHGC
100
112
132
160
180
200
7,81
9,20
10,11
12.28
14.46
15.89
19.32
23.80
25.54
30.36
36.19
43.66
54.35
66.79
72.27
79.34
88.54
105,23
124,23
139,70
153,46

Назад

 
© 2014 Редукторы, мотор-редукторы, устройства плавного пуска, преобразователи частоты