
Габаритные и присоединительные размеры NORD мотор-редукторы SK 9017.1, SK 9017.1AX, SK 9017.1AF, SK 9017.1VF, SK 9017.1AFB, SK 9017.1AZ, SK 9017.1AZEA, SK 9017.1AZB, SK 9017.1AZSH, SK 9017.1 AZD, SK 9017.1 AZK |
| |
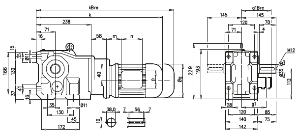
| SK 9017.1 |
SK 9017.1AX |
 |
 |
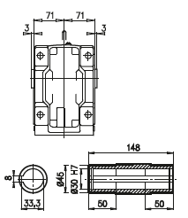
| SK 9017.1AF |
SK 9017.1VF |
 |
 |
a1 |
b1 |
c1 |
e1 |
f1 |
s1 |
200 |
130 |
12 |
165 |
3,5 |
4 x 11 |
A45 |
63 S/L |
71 S/L |
g |
130 |
145 |
g1 / g1Bre |
115 / 123 |
124 / 133 |
k1 / k1Bre |
503 / 559 |
543 / 601 |
k / kBre |
492 / 548 |
532 / 590 |
m / mBre |
16 / 23 |
42 / 44 |
n / nBre |
100 / 134 |
100 / 134 |
p / pBre |
100 / 89 |
100 / 89 |
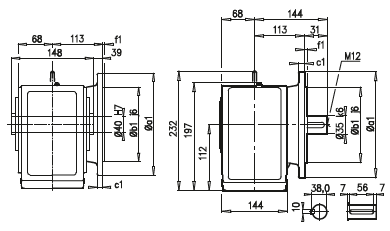
| SK 9017.1AZ |
 |
| SK 9017.1 AZD |
SK 9017.1 AZK |
 |
 |
A45 |
63 S/L |
71 S/L |
g |
130 |
145 |
g1 / g1Bre |
115 / 123 |
124 / 133 |
k1 / k1Bre |
503 / 559 |
543 / 601 |
m / mBre |
16 / 23 |
42 / 44 |
n / nBre |
100 / 134 |
100 / 134 |
p / pBre |
100 / 89 |
100 / 89 |
|
| |