
Габаритные и присоединительные размеры NORD мотор-редукторы SK 9033.1, SK 9033.1AX, SK 9033.1AF, SK 9033.1VF, SK 9033.1AFB(AXB), SK 9033.1AZ, SK 9033.1AZEA, SK 9033.1AZB, SK 9033.1AZSH, SK 9033.1 AZD, SK 9033.1 AZK |
| |
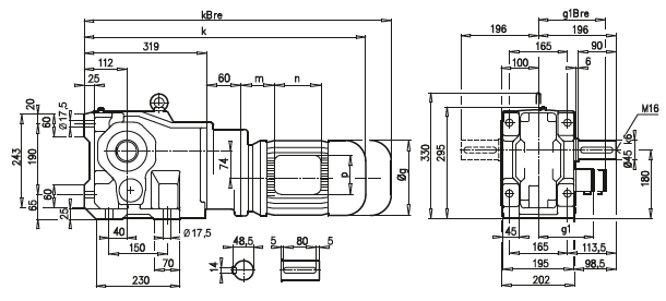
| SK 9033.1 |
SK 9033.1AX |
 |
 |
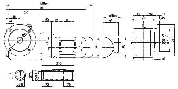
| SK 9033.1AF |
SK 9033.1VF |
 |
 |
a1 |
b1 |
c1 |
e1 |
f1 |
s1 |
250 |
180 |
16 |
215 |
4 |
4 x 14 |
300 |
230 |
20 |
265 |
4 |
4 x 14 |
A45 |
63 S/L |
71 S/L |
80 S/L |
90 S/L |
g |
130 |
145 |
165 |
183 |
g1 / g1Bre |
115 / 123 |
124 / 133 |
142 / 142 |
147 / 147 |
k1 / k1Bre |
589 / 645 |
629 / 687 |
654 / 718 |
695 / 770 |
k / kBre |
575 / 631 |
615 / 673 |
640 / 704 |
681 / 756 |
m / mBre |
16 / 23 |
42 / 44 |
47 / 51 |
52 / 56 |
n / nBre |
100 / 134 |
100 / 134 |
114 / 153 |
114 / 153 |
p / pBre |
100 / 89 |
100 / 89 |
114 / 108 |
114 / 108 |
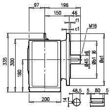
| SK 9033.1AZ |
 |
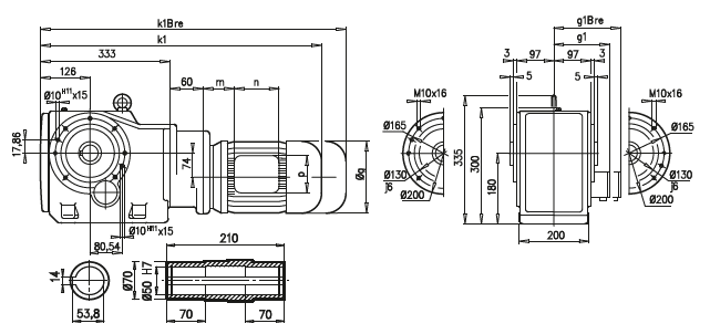
| SK 9033.1 AZD |
SK 9033.1 AZK |
 |
 |
A45 |
63 S/L |
71 S/L |
80 S/L |
90 S/L |
g |
130 |
145 |
165 |
183 |
g1 / g1Bre |
115 / 123 |
124 / 133 |
142 / 142 |
147 / 147 |
k1 / k1Bre |
589 / 645 |
629 / 687 |
654 / 718 |
695 / 770 |
m / mBre |
16 / 23 |
42 / 44 |
47 / 51 |
52 / 56 |
n / nBre |
100 / 134 |
100 / 134 |
114 / 153 |
114 / 153 |
p / pBre |
100 / 89 |
100 / 89 |
114 / 108 |
114 / 108 |
|
| |