
Габаритные и присоединительные размеры NORD мотор-редукторы SK 9053.1, SK 9053.1AX, SK 9053.1AF, SK 9053.1VF, SK 9053.1AFB(AXB), SK 9053.1AZ, SK 9053.1AZEA, SK 9053.1AZB, SK 9053.1AZSH, SK 9053.1 AZD, SK 9053.1 AZK |
| |
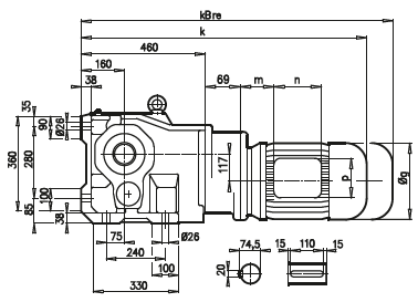
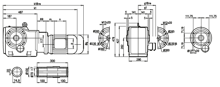
| SK 9053.1 |
SK 9053.1AX |
 |
 |
| SK 9053.1AF |
SK 9053.1VF |
 |
 |
a1 |
b1 |
c1 |
e1 |
f1 |
s1 |
400 |
300 |
20 |
350 |
5 |
4 x 18 |
450 |
350 |
16 |
400 |
5 |
8 x 18 |
A45 |
71 S/L |
80 S/L |
90 S/L |
100 L |
112 M |
g |
145 |
165 |
183 |
201 |
228 |
g1 / g1Bre |
124 / 133 |
142 / 142 |
147 / 147 |
169 / 172 |
179 / 182 |
k1 / k1Bre |
786 / 844 |
811 / 875 |
852 / 927 |
882 / 973 |
905 / 998 |
k / kBre |
759 / 817 |
784 / 848 |
825 / 900 |
855 / 946 |
878 / 971 |
m / mBre |
36 / 43 |
41 / 45 |
46 / 50 |
52 / 56 |
68 / 72 |
n / nBre |
100 / 134 |
114 / 153 |
114 / 153 |
114 / 153 |
114 / 153 |
p / pBre |
100 / 89 |
114 / 108 |
114 / 108 |
114 / 108 |
114 / 108 |
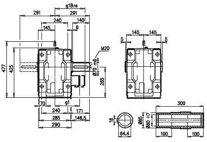
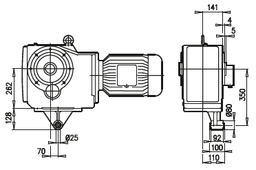
| SK 9053.1AZ |
 |
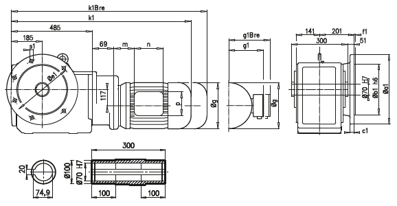
| SK 9053.1 AZD |
SK 9053.1 AZK |
 |
 |
A45 |
71 S/L |
80 S/L |
90 S/L |
100 L |
112 M |
g |
145 |
165 |
183 |
201 |
228 |
g1 / g1Bre |
124 / 133 |
142 / 142 |
147 / 147 |
169 / 172 |
179 / 182 |
k1 / k1Bre |
786 / 844 |
811 / 875 |
852 / 927 |
882 / 973 |
905 / 998 |
m / mBre |
36 / 43 |
41 / 45 |
46 / 50 |
52 / 56 |
68 / 72 |
n / nBre |
100 / 134 |
114 / 153 |
114 / 153 |
114 / 153 |
114 / 153 |
p / pBre |
100 / 89 |
114 / 108 |
114 / 108 |
114 / 108 |
114 / 108 |
|
| |