
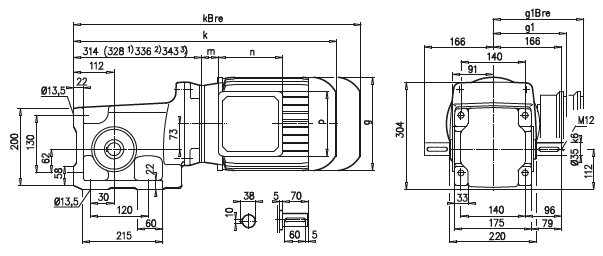
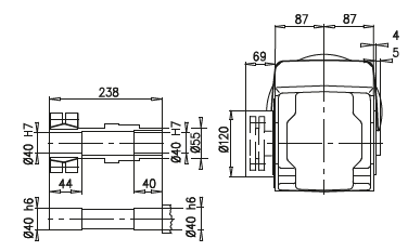
Габаритные и присоединительные размеры NORD мотор-редукторы SK 92672, SK 92672AX, SK 92672AF, SK 92672VF, SK 92672AFB(AXB),SK 92672AZ, SK 92672AZB, SK 92672AZSH, SK 92672 AZD |
| |
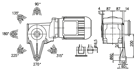
| SK 92772 |
SK 92772AX |
 |
 |
| SK 92772AF |
SK 92772VF |
 |
 |
a1 |
b1 |
c1 |
e1 |
f1 |
s1 |
250 |
180 |
16 |
215 |
4 |
4 x 13,5 |
A45 |
80 S/L |
90 S/L1) |
100 L1) |
112 M2) |
132S/M3) |
g |
165 |
183 |
201 |
228 |
266 |
g1 / g1Bre |
142 / 142 |
147 / 147 |
169 / 172 |
179 / 182 |
204 / 201 |
k1 / k1Bre |
549 / 613 |
603 / 678 |
633 / 724 |
661 / 754 |
759 / 860 |
k / kBre |
550 / 614 |
604 / 679 |
634 / 725 |
662 / 755 |
760 / 861 |
m / mBre |
22 / 26 |
26 / 30 |
32 / 36 |
45 / 49 |
47 / 46 |
n / nBre |
114 / 153 |
114 / 153 |
114 / 153 |
114 / 153 |
122 / 185 |
p / pBre |
114 / 108 |
114 / 108 |
114 / 108 |
114 / 108 |
122 / 139 |
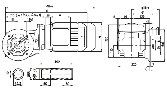
| SK 92772AZ |
 |
| SK 92772AZSH |
SK 92772 AZD |
 |
 |
A45 |
80 S/L |
90 S/L1) |
100 L1) |
112 M2) |
132S/M3) |
g |
165 |
183 |
201 |
228 |
266 |
g1 / g1Bre |
142 / 142 |
147 / 147 |
169 / 172 |
179 / 182 |
204 / 201 |
k1 / k1Bre |
549 / 613 |
603 / 678 |
633 / 724 |
661 / 754 |
759 / 860 |
m / mBre |
22 / 26 |
26 / 30 |
32 / 36 |
45 / 49 |
47 / 46 |
n / nBre |
114 / 153 |
114 / 153 |
114 / 153 |
114 / 153 |
122 / 185 |
p / pBre |
114 / 108 |
114 / 108 |
114 / 108 |
114 / 108 |
122 / 139 |
|
| |