Система обозначения червячных мотор-редукторов серии MU
XC |
40 |
– 10 |
– 140 |
– F1 |
– B3 |
– 0,55 |
– 32 |
– 380 |
– 50 |
(4P) |
1 |
2 |
3 |
4 |
5 |
6 |
7 |
8 |
9 |
10 |
11 |
1 – Cерия редуктора (XC )
2 – Межосевое расстояние, мм (30, 40, 50, 63, 75, 90, 110, 130)
3 – Номинальное передаточное отношение редуктора
4 – Число оборотов выходного вала , об/мин
5 – Фланец на выходном валу редуктора (F1, F2, F3)
6 – Монтажное положение (В3, В6, В7, В8, V5, V6)
7 – Мощность электродвигателя , кВт
8 – Крутящий момент на выходном валу, Nm
9 – Напряжение питания электродвигателя, V
10 – Частота питающей сети, Гц
11 – Количество полюсов электродвигателя (2, 4, 6)
Выходные обороты и мощность электродвигателей (кВт) pdf.
Габаритные и присоединительные размеры
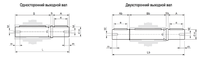
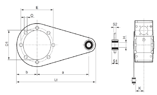
Реактивная штанга, выходной вал - размеры
Монтажные положения и количество масла, заливаемого в мотор-редукторы XC
Вес червячных редукторов серии XC, кг



Реактивная штанга, выходной вал

XC |
A |
Ab |
B |
Bb |
d h6 |
d1 |
e |
L |
Lb |
M |
m |
S |
Sb |
XC30 |
30 |
29 |
62 |
64 |
14 |
18,5 |
20 |
94,5 |
126 |
M6 |
16 |
2,5 |
2,5 |
XC40 |
40 |
39 |
77 |
79 |
18 |
23,5 |
30 |
120 |
161 |
M6 |
16 |
3 |
3 |
XC50 |
50 |
49 |
90 |
93 |
25 |
31,5 |
40 |
143,5 |
195,5 |
M8 |
22 |
3,5 |
3,5 |
XC63 |
50 |
49 |
111 |
113 |
25 |
31,5 |
40 |
165 |
216 |
M8 |
22 |
4 |
4 |
XC75 |
60 |
59 |
119 |
121 |
28 |
34,5 |
50 |
183 |
244 |
M8 |
22 |
4 |
4 |
XC90 |
80 |
78,5 |
139 |
141,5 |
35 |
41,5 |
60 |
224 |
305 |
M10 |
28 |
5 |
5 |
XC110 |
80 |
77,5 |
154,5 |
157 |
42 |
49,5 |
60 |
242,5 |
322,5 |
M10 |
28 |
8 |
8 |
XC130 |
80 |
78 |
168 |
172 |
45 |
54,5 |
70 |
253 |
335 |
M16 |
36 |
5 |
5 |

XC |
a |
b |
D1 |
E |
H |
K |
Lt |
O |
S1 |
S2 |
XC30 |
85 |
37,5 |
55 |
65 |
8 |
24 |
141,5 |
7 |
14 |
4 |
XC40 |
100 |
45 |
60 |
75 |
10 |
31,5 |
167 |
7 |
14 |
4 |
XC50 |
100 |
50 |
70 |
85 |
10 |
39 |
172 |
9 |
14 |
5 |
XC63 |
150 |
55 |
80 |
95 |
10 |
49 |
227 |
9 |
14 |
6 |
XC75 |
200 |
70 |
95 |
115 |
20 |
47,5 |
302 |
9 |
25 |
6 |
XC90 |
200 |
80 |
110 |
130 |
20 |
57,5 |
312 |
11 |
25 |
6 |
XC110 |
250 |
100 |
130 |
165 |
25 |
62 |
390 |
11 |
30 |
6 |
XC130 |
250 |
125 |
180 |
215 |
25 |
69 |
415 |
13 |
30 |
6 |
Назад
Монтажные положения и количество масла, заливаемого в мотор-редукторы XC

Положение клемной коробки эл.двигателя

Назад
Вес червячных редукторов серии XC, кг
XC30 |
0,9 |
XC40 |
2 |
XC50 |
3 |
XC63 |
5 |
XC75 |
8 |
XC90 |
13 |
XC110 |
35 |
XC130 |
48 |
|