
Габаритные и присоединительные размеры серии-F |
| |
Технические характеристики
Габаритные и присоединительные размеры
На главную
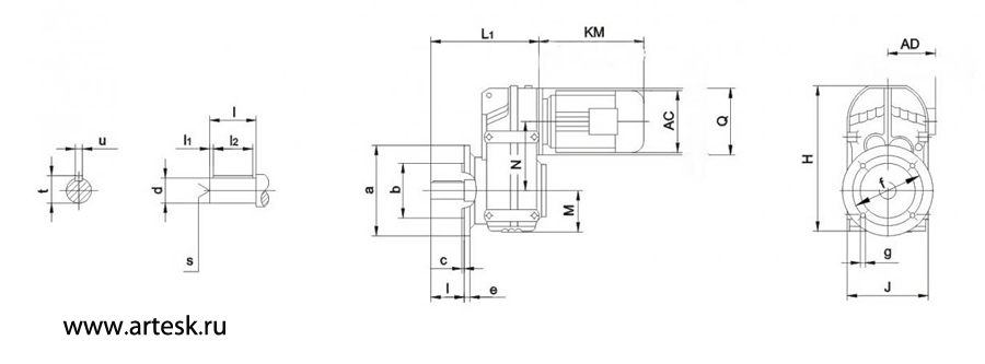
Исполнение с выходным одно или двухстороним цилиндрическим валом (F37..F157)
Исполнение с выходным полым валом (FA37B..FA157B)
Исполнение с выходным фланцем и цилиндрическим валом (FF37..FF157)
Размеры крепления под реактивную тягу (FA37..FA157)
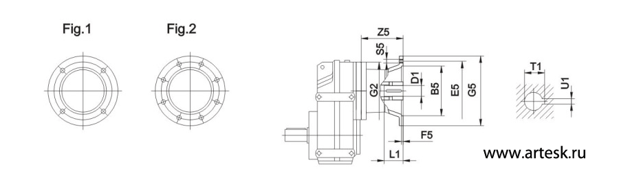
Размеры входного фланца под электродвигатель (IEC - стандарт)
Двухступенчатый мотор-редуктор (F + R)
ОБРАТНО В МЕНЮ
Исполнение с выходным одно или двухстороним цилиндрическим валом (F37..F157)

Исполнение с выходным полым валом (FA37B..FA157B)

Модель мотор-редуктора |
a
b |
e
f |
g |
h |
j |
к |
m
n |
P
q |
Размеры вала |
d |
I |
l1
l2 |
s |
t
u |
F37..
FA37B.. |
77
115 |
95
135 |
72.5 |
76 |
31 |
20 |
M8
11 |
M8
11 |
25k6 |
50 |
5
40 |
M10 |
28
8 |
F47..
F47B.. |
93
145 |
109
165 |
91 |
77 |
43 |
20 |
M8
11 |
M10
15 |
30k6 |
60 |
3.5
50 |
M10 |
33
8 |
F57..
FA57B.. |
102
170 |
126
195 |
104.5 |
93 |
55 |
25 |
M12
17 |
M12
17 |
35k6 |
70 |
7
56 |
M12 |
38
10 |
F67..
FA67B.. |
112
190 |
131
215 |
118.5 |
97 |
60 |
25 |
M12
17 |
M12
17 |
40k6 |
80 |
5
70 |
M16 |
43
12 |
F77..
FA77B.. |
140
240 |
165
275 |
137.5 |
121 |
70 |
35 |
M12
17 |
M16
26 |
50k6 |
100 |
10
80 |
M16 |
53.5
14 |
F87..
FA87B.. |
165
310 |
195
350 |
163 |
152 |
100 |
40 |
M16
26 |
M16
26 |
60m6 |
120 |
5
110 |
M20 |
64
18 |
F97..
FA97B.. |
205
350 |
240
400 |
190.5 |
178 |
120 |
50 |
M16
26 |
M20
28 |
70m6 |
140 |
7.5
125 |
M20 |
74.5
20 |
F107..
FA107B.. |
220
400 |
260
460 |
241.5 |
200 |
125 |
60 |
/
/ |
M24
36 |
90m6 |
170 |
5
160 |
M24 |
95
25 |
F127..
FA127B.. |
270
450 |
316
520 |
291 |
236 |
142 |
70 |
/
/ |
M30
45 |
110m6 |
210 |
15
180 |
M24 |
116
28 |
F157..
FA157B.. |
310
540 |
364
620 |
325 |
286 |
170 |
80 |
/
/ |
M36
55 |
120m6 |
210 |
5
200 |
M24 |
127
32 |
Модель мотор-редуктора |
Полый выходной вал |
Hj |
L1 |
L2 |
N |
Q |
d1 |
d2 |
13
14 |
l5 |
l6
l7 |
l8 |
s1 |
tl
u1 |
F37..
FA37B.. |
30H7 |
45 |
2.5
22.5 |
123 |
120
105 |
17 |
M10X25 |
33.3
8 |
252
165 |
160 |
110 |
112 |
120 |
F47..
FA47B.. |
35H7 |
50 |
3
31 |
153 |
150
132 |
22 |
M10X25 |
38.3
10 |
269
180 |
193 |
133 |
128.1 |
120 |
F57..
FA57B |
40H7 |
55 |
3
33.5 |
170 |
166
142 |
29 |
M16X40 |
43.3
12 |
317
200 |
221 |
150 |
136 |
160 |
F67..
F67B.. |
40H7 |
55 |
3.5
37 |
184 |
180
156 |
29 |
M16X40 |
43.3
12 |
343
212 |
242 |
161 |
159.5 |
160 |
F77..
FA77B.. |
50H7 |
70 |
4
36.5 |
213 |
210
183 |
32 |
M16X45 |
53.8
14 |
426
270 |
294 |
193 |
200 |
200 |
F87..
FA87B.. |
60H7 |
85 |
4
43 |
243 |
240
210 |
36 |
M20X50 |
64.4
18 |
531
330 |
344 |
224 |
246.7 |
250 |
FA97..
FA97B.. |
70H7 |
95 |
4
48.5 |
303 |
300
270 |
34 |
M20X50 |
74.9
20 |
623
400 |
416 |
274 |
285 |
300 |
F107..
FA107B.. |
90H7 |
118 |
2.5
69.5 |
353 |
350
313 |
40 |
M24X60 |
95.4
25 |
717
450 |
484 |
312 |
332.4 |
350 |
F127..
FA127B.. |
100H7 |
135 |
2.5
79.25 |
413 |
410
373 |
38 |
M24X60 |
106.4
28 |
856
530 |
585 |
373 |
382.6 |
450 |
F157..
FA157B.. |
120H7 |
155 |
7
118 |
503 |
500
460 |
36 |
M24X60 |
127.4
32 |
1021
660 |
662 |
455 |
447 |
550 |
ОБРАТНО В МЕНЮ
Исполнение с выходным фланцем и цилиндрическим валом (FF37..FF157)


Модель мотор-редуктора |
Форма фланца |
a
b |
e
c |
f
g |
Размеры цилиндрического вала |
Размеры полого вала |
H
J |
L1
L2 |
M
N
Q |
d
I |
11
l2 |
s |
t
u |
d1
d2 |
13
14 |
15
16 |
17
18 |
tl
u1 |
FF37..
FAF37.. |
Fig. 1 |
160 110j6 |
3.5
10 |
130
9 |
25k6
50 |
5
40 |
M10 |
28
8 |
30H7
45 |
24
123 |
120
105 |
17 M10X25 |
33.3
8 |
252
165 |
184
138 |
76
112
120 |
FF47..
FAF47.. |
Fig. 1 |
200
130j6 |
3.5
12 |
165
11 |
30k6
60 |
3.5
50 |
M10 |
33
8 |
35H7
50 |
25
153 |
150
132 |
22
M10X25 |
38.3
10 |
269
180 |
218
162 |
77
128.1
120 |
FF57..
FAF57.. |
Fig. 1 |
250 180j6 |
4
15 |
215
13.5 |
35k6
70 |
7
56 |
M12 |
38
10 |
40H7
55 |
23.5
170 |
166
142 |
29
M16X40 |
43.3
12 |
317
200 |
243
177 |
93
136
160 |
FF67..
FAF67.. |
Fig.1 |
250 180j6 |
4
15 |
215
13.5 |
40k6
80 |
5
70 |
M16 |
43
12 |
40H7
55 |
23
184 |
180
156 |
29 M16X40 |
43.3
12 |
343
212 |
264
188 |
97
159.5
160 |
FF77..
FAF77.. |
Fig. 1 |
300
230h6 |
4
16 |
265
13.5 |
50k6
100 |
10
80 |
M16 |
53.5
14 |
50H7
70 |
37
213 |
210
183 |
32 M16X45 |
53.8
14 |
426
270 |
330
234 |
121
200
200 |
FF87..
FAF87.. |
Fig. 1 |
350
250h6 |
5
18 |
300
17.5 |
60m6
120 |
5
110 |
M20 |
64
18 |
60H7
85 |
30
243 |
240
210 |
36
M20X50 |
64.4
18 |
531
330 |
374
259 |
152
246.7
250 |
FF97..
FAF97.. |
Fig.2 |
450
350h6 |
5
22 |
400
17.5 |
70m6
140 |
7.5
125 |
M20 |
74.5
20 |
70H7
95 |
41.5
303 |
300
270 |
34
M20X50 |
74.9
20 |
623
400 |
456
321 |
178
285
300 |
FF107..
FAF107.. |
Fig.2 |
450
350h6 |
5
22 |
400
17.5 |
90m6
170 |
5
160 |
M24 |
95
25 |
90H7
118 |
41
353 |
350
313 |
40
M24X60 |
95.4
25 |
717
450 |
523
358 |
200
332.4
350 |
FF127..
FAF127.. |
Fig.2 |
550
450h6 |
5
25 |
500
17.5 |
110m6
210 |
15
180 |
M24 |
116
28 |
100H7
135 |
51
413 |
410
373 |
38
M24X60 |
106.4
28 |
856
530 |
643
426 |
236
382.6
450 |
FF157..
FAF157.. |
Fig.2 |
660
550h6 |
6
28 |
600
22 |
120m6
210 |
5
200 |
M24 |
127
32 |
120H7
155 |
60
503 |
500
460 |
36
M24X60 |
127.4
32 |
1021
660 |
725
521 |
286
447
550 |
ОБРАТНО В МЕНЮ
Размеры крепления под реактивную тягу (FA37..FA157)

Модель мотор-редуктора |
a
b |
c
e |
f
g |
Размеры вала |
Размеры полого вала |
H
J |
L |
M |
N
Q |
d1
d2 |
l1
l2 |
l3
l4 |
l5
l6 |
t
u |
К
M
N |
p
q |
FA37..
F..37/G.. |
158
30 |
14
31.5 |
46
15 |
30H7
45 |
0.5
123 |
120
105 |
17 M10X25 |
33.3
8 |
40
12.5
5 |
20
1 |
252
172 |
110 |
76 |
112
120 |
FA47..
F..47/G.. |
170
22 |
14
32 |
64
12 |
35H7
50 |
1
153 |
150
132 |
22 M10X25 |
38.3
10 |
40
12.5
5 |
20
1.8 |
269
189 |
133 |
77 |
128.1
120 |
FA57..
F..57/G.. |
198
31 |
14
40.5 |
60
19.5 |
40H7
55 |
1
170 |
166
142 |
29 M16X40 |
43.3
12 |
40
12.5
5 |
20
2.4 |
317
210 |
150 |
93 |
136
160 |
FA67..
F..67/G.. |
218
40 |
14
41 |
65
21 |
40H7
55 |
1
184 |
180
156 |
29 M16X40 |
43.3
12 |
40
12.5
5 |
20
3 |
343
212 |
161 |
97 |
159.5
160 |
FA77..
F..77/G.. |
278
49 |
22
50 |
69
28 |
50H7
70 |
1
213 |
210
183 |
32 M16X45 |
53.8
14 |
60
21
10 |
30
3.2 |
426
282 |
193 |
121 |
200
200 |
FA87..
F..87/G.. |
346
57 |
22
62 |
79
32 |
60H7
85 |
1
243 |
240
210 |
36
M20X50 |
64.4
18 |
60
21
10 |
30
4.5 |
531
336 |
224 |
152 |
246.7
250 |
FA97..
F..97/G.. |
395
88 |
26
70 |
104
34 |
70H7
95 |
1
303 |
300
270 |
34
M20X50 |
74.9
20 |
80
25
12 |
40
5 |
623
414 |
274 |
178 |
285
300 |
FA107..
F..107/G.. |
485
108 |
26
88 |
100
57 |
90H7
118 |
2.5
353 |
350
313 |
40
M24X60 |
95.4
25 |
80
25
12 |
40
6 |
717
456 |
312 |
200 |
332.4
350 |
FA127..
F..127/G |
550
138 |
33
110 |
125
66 |
100H7
135 |
2.5
413 |
410
373 |
38
M24X60 |
106.4
28 |
100
32
15 |
60
9 |
856
530 |
373 |
236 |
382.6
450 |
FA157..
F..157/G.. |
660
170 |
33
150 |
140
98 |
120H7
155 |
7
503 |
500
460 |
36
M24X60 |
127.4
32 |
120
32
15 |
60
9 |
1021
660 |
455 |
286 |
447
550 |
ОБРАТНО В МЕНЮ
Размеры входного фланца под электродвигатель (IEC - стандарт)

|
|
|
Fig. |
B5 |
E5 |
F5 |
G2 |
G5 |
S5 |
Z5 |
D1 |
L1 |
T1 |
U1 |
F..37 F..47 |
AM63 |
1 |
95 |
115 |
3.5 |
120 |
140 |
M8 |
72 |
11 |
23 |
12.8 |
4 |
AM711) |
110 |
130 |
160 |
14 |
30 |
16.3 |
5 |
AM801) |
130 |
165 |
4.5 |
200 |
M10 |
106 |
19 |
40 |
21.8 |
6 |
AM901) |
24 |
50 |
27.3 |
8 |
F..57 F..67 |
AM63 |
1 |
95 |
115 |
3.5 |
160 |
140 |
M8 |
66 |
11 |
23 |
12.8 |
4 |
AM71 |
110 |
130 |
160 |
14 |
30 |
16.3 |
5 |
AM80 |
130 |
165 |
4.5 |
200 |
M10 |
99 |
19 |
40 |
21.8 |
6 |
AM90 |
24 |
50 |
27.3 |
8 |
AM1001) |
180 |
215 |
5 |
250 |
M12 |
134 |
28 |
60 |
31.3 |
8 |
AM1121) |
F..77 |
AM63 |
1 |
95 |
115 |
3.5 |
200 |
140 |
M8 |
60 |
11 |
23 |
12.8 |
4 |
AM71 |
110 |
130 |
160 |
14 |
30 |
16.3 |
5 |
AM80 |
130 |
165 |
4.5 |
200 |
M10 |
92 |
19 |
40 |
21.8 |
6 |
AM90 |
24 |
50 |
27.3 |
8 |
AM1001) |
180 |
215 |
5 |
250 |
M12 |
126 |
28 |
60 |
31.3 |
8 |
AM1121) |
AM132S1) AM132M1) |
230 |
265 |
300 |
179 |
38 |
80 |
41.3 |
10 |
AM132ML1) |
F..87 |
AM80 |
1 |
130 |
165 |
4.5 |
250 |
200 |
M10 |
87 |
19 |
40 |
21.8 |
6 |
AM90 |
24 |
50 |
27.3 |
8 |
AM 100 |
180 |
215 |
5 |
250 |
M12 |
121 |
28 |
60 |
31.3 |
8 |
AM112 |
AM132S AM132M |
230 |
265 |
300 |
174 |
38 |
80 |
41.3 |
10 |
AM132ML |
AM1601) |
250 |
300 |
6 |
350 |
M16 |
232 |
42 |
110 |
45.3 |
12 |
AM1801) |
48 |
51.8 |
14 |
F..97 |
AM 100 |
1 |
180 |
215 |
5 |
300 |
250 |
M12 |
116 |
28 |
60 |
31.3 |
8 |
AM112 |
AM132S AM132M |
230 |
265 |
300 |
169 |
38 |
80 |
41.3 |
10 |
AM132ML |
AM 160 |
250 |
300 |
6 |
350 |
M16 |
227 |
42 |
110 |
45.3 |
12 |
AM 180 |
48 |
51.8 |
14 |
AM200 |
300 |
350 |
7 |
400 |
268 |
55 |
59.3 |
16 |
AM2251) |
2 |
350 |
400 |
450 |
283 |
60 |
140 |
64.4 |
18 |
|
|
|
Fig. |
B5 |
E5 |
F5 |
G2 |
G5 |
S5 |
Z5 |
D1 |
L1 |
T1 |
U1 |
F..107 |
AM 100 |
1 |
180 |
215 |
5 |
350 |
250 |
M12 |
110 |
28 |
60 |
31.3 |
8 |
AM112 |
AM132S AM132M |
230 |
265 |
300 |
163 |
38 |
80 |
41.3 |
10 |
AM132ML |
AM160 |
250 |
300 |
6 |
350 |
M16 |
221 |
42 |
110 |
45.3 |
12 |
AM 180 |
48 |
51.8 |
14 |
AM200 |
300 |
350 |
7 |
400 |
262 |
55 |
59.3 |
16 |
AM225 |
2 |
350 |
400 |
450 |
277 |
60 |
140 |
64.4 |
18 |
F..127 |
AM132S AM132M |
1 |
230 |
265 |
5 |
450 |
300 |
M12 |
148 |
38 |
80 |
41.3 |
10 |
AM132ML |
AM 160 |
250 |
300 |
6 |
350 |
M16 |
206 |
42 |
110 |
45.3 |
12 |
AM 180 |
48 |
51.8 |
14 |
AM200 |
300 |
350 |
7 |
400 |
247 |
55 |
59.3 |
16 |
AM225 |
2 |
350 |
400 |
450 |
262 |
60 |
140 |
64.4 |
18 |
AM250 |
450 |
500 |
550 |
336 |
65 |
69.4 |
AM280 |
75 |
79.9 |
20 |
F..157 |
AM 160 |
1 |
250 |
300 |
6 |
550 |
350 |
M16 |
198 |
42 |
110 |
45.3 |
12 |
AM 180 |
48 |
51.8 |
14 |
AM200 |
300 |
350 |
7 |
400 |
239 |
55 |
59.3 |
16 |
AM225 |
2 |
350 |
400 |
450 |
254 |
60 |
140 |
64.4 |
18 |
AM250 |
450 |
500 |
550 |
328 |
65 |
69.4 |
AM280 |
75 |
79.9 |
20 |
ОБРАТНО В МЕНЮ
Двухступенчатый мотор-редуктор (F + R)
\
|
|
|
G |
К |
KB |
KM |
F..37R17 F..47R17 |
D63.. |
155 |
368 |
425 |
193 |
D71D |
155 |
369 |
433 |
194 |
D80.. |
155 |
419 |
483 |
244 |
F..57R37 |
D63.. |
155 |
400 |
457 |
235 |
D71D |
155 |
401 |
465 |
236 |
D80.. |
155 |
451 |
515 |
286 |
F..67R37 |
D63.. |
155 |
410 |
457 |
235 |
D71D |
155 |
401 |
465 |
236 |
D80.. |
155 |
451 |
515 |
286 |
D90.. |
210 |
451 |
536 |
286 |
F..77R37 |
D63.. |
155 |
392 |
449 |
235 |
D71D |
155 |
393 |
457 |
236 |
D80.. |
155 |
443 |
507 |
286 |
D90.. |
210 |
443 |
528 |
286 |
F..87R57 |
D63.. |
155 |
445 |
502 |
229 |
D71D |
155 |
445 |
509 |
229 |
D80.. |
210 |
495 |
559 |
279 |
D90.. |
210 |
495 |
580 |
279 |
D100M |
210 |
545 |
630 |
329 |
D100L |
210 |
565 |
650 |
349 |
F..97R57 |
D63.. |
155 |
440 |
497 |
229 |
D71D |
155 |
440 |
504 |
229 |
D80.. |
155 |
490 |
554 |
279 |
D90.. |
210 |
510 |
595 |
299 |
D100M |
210 |
540 |
625 |
329 |
D100L |
210 |
560 |
645 |
349 |
D112M |
240 |
575 |
655 |
364 |
F..107R77 |
D63.. |
155 |
470 |
527 |
223 |
D71D |
155 |
470 |
534 |
223 |
D80.. |
155 |
520 |
584 |
273 |
D90.. |
210 |
518 |
603 |
271 |
D100M |
210 |
568 |
653 |
321 |
D100L |
210 |
588 |
673 |
341 |
D112M |
240 |
602 |
682 |
355 |
D132S |
240 |
647 |
727 |
400 |
D132M |
285 |
699 |
811 |
452 |
D132ML |
285 |
719 |
831 |
472 |
D160M |
330 |
749 |
871 |
512 |
|
|
|
G |
К |
KB |
KM |
F..127R77 |
D63.. |
155 |
455 |
512 |
223 |
D71D |
155 |
455 |
519 |
223 |
D80.. |
155 |
505 |
569 |
273 |
D90.. |
210 |
503 |
588 |
271 |
D100M |
210 |
553 |
638 |
321 |
D100L |
210 |
573 |
658 |
341 |
D112M |
240 |
587 |
667 |
355 |
D132S |
240 |
632 |
712 |
40 |
D132M |
285 |
684 |
796 |
452 |
D132ML |
285 |
704 |
816 |
472 |
D160M |
330 |
734 |
846 |
502 |
F..127R87 |
D90.. |
210 |
547 |
632 |
267 |
D100M |
210 |
597 |
682 |
317 |
D100L |
210 |
617 |
702 |
337 |
D112M |
240 |
630 |
710 |
350 |
D132S |
240 |
675 |
755 |
395 |
D132M |
285 |
727 |
839 |
447 |
D132ML |
285 |
747 |
859 |
467 |
D160M |
330 |
777 |
889 |
497 |
D160L |
330 |
824 |
980 |
544 |
D180.. |
380 |
896 |
1052 |
616 |
F..157R97 |
D80.. |
155 |
586 |
650 |
261 |
D90.. |
210 |
586 |
671 |
261 |
D100M |
210 |
636 |
721 |
311 |
D100L |
210 |
656 |
741 |
331 |
D112M |
240 |
670 |
750 |
345 |
D132S |
240 |
715 |
795 |
390 |
D132M |
285 |
767 |
879 |
442 |
D132ML |
285 |
787 |
899 |
462 |
D160M |
330 |
817 |
929 |
492 |
D160L |
330 |
864 |
1020 |
539 |
D180.. |
380 |
936 |
1092 |
611 |
D200.. |
420 |
1024 |
1180 |
699 |
ОБРАТНО В МЕНЮ
|
| |