Технические характеристики
Габаритные и присоединительные размеры
Варианты установки
Передаточные числа и максимальный крутящий момент
На главную
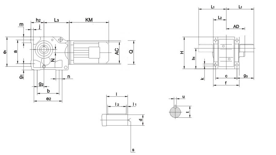
Исполнение с выходным одно или двухстороним цилиндрическим валом (К37-К157)

Исполнение с выходным полым валом (КА37-КА157)

Типоразмер |
a
b
с |
e1
e2
f |
g1
g2
g3 |
h1
h2 |
j |
k |
m
n |
Размеры выходного вала |
d |
l |
l1
l2 |
S |
t
u |
K37.. |
115
110
100 |
150
143
120 |
32
28
60 |
100-0.5
63-0.5 |
16 |
11 |
37
38 |
25k6 |
50 |
5
40 |
M10 |
28
8 |
K47..
KA47B.. |
130
130
120 |
170
162
145 |
37
35
75 |
112-0.5
71-0.5 |
188 |
11 |
37
32 |
30 k6 |
60 |
3.5
50 |
M10 |
33
8 |
K57..
KA57B.. |
150
130
130 |
190
172
157 |
45
30
88 |
132-0.5
80-0.5 |
21 |
13.5 |
43
40 |
35 k6 |
70 |
7
56 |
M12 |
38
10 |
K67..
KA67B.. |
160
120
140 |
203
170
170 |
45
30
101 |
140-0.5
90-0.5 |
24 |
13.5 |
43
45 |
40 k6 |
80 |
5
70 |
M16 |
43
12 |
K77..
KA77B.. |
200
150
165 |
263
208
200 |
55
40
123.5 |
180-0.5
112-0.5 |
27 |
17.5 |
55
55 |
50 k6 |
100 |
10
80 |
M16 |
53.5
14 |
K87..
KA87B.. |
133
180
180 |
305
360
230 |
70
55
150 |
212-0.5
132-0.5 |
32 |
22 |
67
75 |
60m6 |
120 |
5
110 |
M20 |
64
18 |
K97..
KA97B.. |
295
240
240 |
372
294
290 |
75
75
171 |
265-1
160-0.5 |
36 |
26 |
82
60 |
70m6 |
140 |
7.5
125 |
M20 |
74.5
20 |
K107..
KA107B.. |
260
280
270 |
448
380
340 |
95
95
212 |
315-1
200-0.5 |
40 |
33 |
98
100 |
90m6 |
170 |
5
160 |
M24 |
95
25 |
K127..
KA127B.. |
420
350
330 |
526
440
400 |
110
115
253 |
375-1
225-0.5 |
45 |
39 |
111
100 |
110m6 |
210 |
15
180 |
M24 |
116
28 |
K157..
KA157B.. |
500
380
420 |
634
480
500 |
130
140
247 |
450-1
280-1 |
50 |
39 |
130
100 |
120m6 |
210 |
5
200 |
M24 |
127
32 |
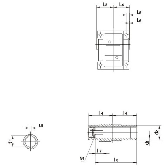
Типоразмер |
Размеры полого выходного вала |
H |
L1
L2 |
L3 |
N |
Q |
d1 |
d2 |
l3
l4 |
l5
l6 |
l7
l8 |
s1 |
t1
u1 |
K37.. |
- |
- |
- |
- |
- |
- |
- |
165 |
110
60 |
139 |
8.5 |
120 |
K47..
KA47B.. |
35H7 |
50 |
78
75 |
15
3 |
22
132 |
M12x30 |
38.3
10 |
185 |
135
72 |
166 |
7.2 |
160 |
K57..
KA57B.. |
40H7 |
55 |
86
83 |
18
3 |
29
142 |
M16x40 |
43.3
12 |
217 |
153
80 |
173 |
13.1 |
160 |
K67..
KA67B.. |
40H7 |
55 |
93
90 |
20
3.5 |
29
156 |
M16x40 |
43.3
12 |
228 |
171
86.5 |
179 |
20 |
160 |
K77..
KA77B.. |
50H7 |
70 |
108
105 |
22.5
4 |
32
183 |
M16x45 |
53.8
14 |
228 |
206
101 |
202 |
31.3 |
200 |
K87..
KA87B.. |
60H7 |
85 |
123
120 |
30
4 |
36
210 |
M20x50 |
64.4
18 |
340 |
240
116 |
257 |
25.9 |
250 |
K97..
KA97B.. |
70H7 |
95 |
153
150 |
30
4 |
34
270 |
M20x50 |
74.9
20 |
417 |
291
146 |
277 |
32.3 |
300 |
K107..
KA107B.. |
90H7 |
118 |
178
175 |
40
2.5 |
40
313 |
M24x60 |
95.4
25 |
503 |
347
175 |
341 |
52 |
350 |
K127..
KA127B.. |
100H7 |
135 |
208
205 |
40
2.5 |
38
373 |
M24x60 |
106.4
28 |
592 |
418
203 |
390 |
53 |
450 |
K157..
KA157B.. |
120H7 |
155 |
253
250 |
40 |
36
460 |
M24x60 |
127.4
32 |
705 |
457
250 |
426 |
71.7 |
550 |
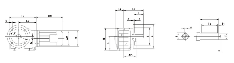
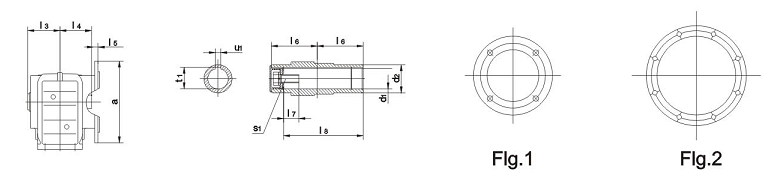
Исполнение с выходным фланцем и цилиндрическим валом (KF37-KF157)

Исполнение с выходным фланцем и полым валом (KAF37-KAF157)

Типоразмер |
Тип фланца (в зависимости от количества крепежных отверстий) |
a
b |
с
е |
f
g
h |
Размеры выходного вала |
Размеры полого выходного вала |
H |
L1
L2
L3 |
L4
N
Q |
d
l |
l1
l2 |
S |
t
u |
d1
d2 |
L3
L4
L5 |
L6
L7
L8 |
S1 |
t1
u1 |
KF37..
KАF37.. |
Flg.1 |
160
110j6 |
3.5
10 |
130
9
100 |
25k6
50 |
5
40 |
M10 |
28
8 |
30H7
45 |
63
60
24 |
60
17
105 |
M10x25 |
33.3
8 |
164 |
57.5
134
210 |
139
8.5
120 |
KF47..
KAF47.. |
Flg.1 |
200
130j6 |
3.5
10 |
165
11
112 |
30k6
60 |
3.5
50 |
M10 |
33
8 |
35H7
50 |
78
75
25 |
75
22
132 |
M12x30 |
38.3
10 |
185 |
72
160
243 |
166
7.2
160 |
KF57..
KAF57.. |
Flg.1 |
250
180j6 |
4
15 |
215
13.5
132 |
35k6
70 |
7
56 |
M12 |
38
10 |
40H7
55 |
86
83
23.5 |
83
29
142 |
M16x40 |
43.3
12 |
215 |
80
177
269 |
173
13.1
160 |
KF67..
KAF67.. |
Flg.1 |
250
180j6 |
4
15 |
215
13.5
140 |
40k6
80 |
5
70 |
M16 |
43
12 |
40H7
55 |
94
90
23 |
90
29
156 |
M16x40 |
43.3
12 |
226 |
86.5
193
274 |
179
20
160 |
KF77..
KAF77.. |
Flg.1 |
300
230j6 |
4
16 |
265
13.5
180 |
50k6
100 |
80
10 |
M16 |
53.5
14 |
50H7
70 |
108
105
37 |
105
32
183 |
M16x45 |
53.8
14 |
286 |
101
242
312 |
202
31.3
200 |
KF87..
KAF87.. |
Flg.1 |
350
250h6 |
5
18 |
300
17.5
212 |
60m6
120 |
5
110 |
M20 |
64
18 |
60H7
85 |
123
120
30 |
120
36
210 |
M20x50 |
64.4
18 |
338 |
138
270
390 |
257
25.9
250 |
KF97..
KAF97.. |
Flg.2 |
450
350h6 |
5
22 |
400
17.5
265 |
70m6
140 |
7.5
125 |
M20 |
74.5
20 |
70H7
95 |
153
150
41.5 |
150
34
270 |
M20x50 |
74.9
20 |
414 |
171
332
435 |
277
32.3
300 |
KF107..
KAF107.. |
Flg.2 |
450
350h6 |
5
25 |
400
17.5
315 |
90m6
170 |
5
160 |
M24 |
95
25 |
90H7
118 |
178
175
41 |
175
40
313 |
M20x60 |
95.4
25 |
500 |
175
386
537 |
341
52
350 |
KF127..
KAF127.. |
Flg.2 |
550
450h6 |
5
22 |
500
17.5
375-1 |
110m6
210 |
15
180 |
M24 |
116
28 |
100H7
135 |
208
205
51 |
205
38
373 |
M20x60 |
106.4
28 |
592 |
203
466
615 |
390
53
450 |
KF157..
KAF157.. |
Flg.2 |
660
550h6 |
6
28 |
600
22
450-1 |
120m6
210 |
5
200 |
M24 |
127
32 |
120H7
155 |
253
250
60 |
250
36
460 |
M20x60 |
127.4
32 |
705 |
253
520
706 |
705
71.7
550 |
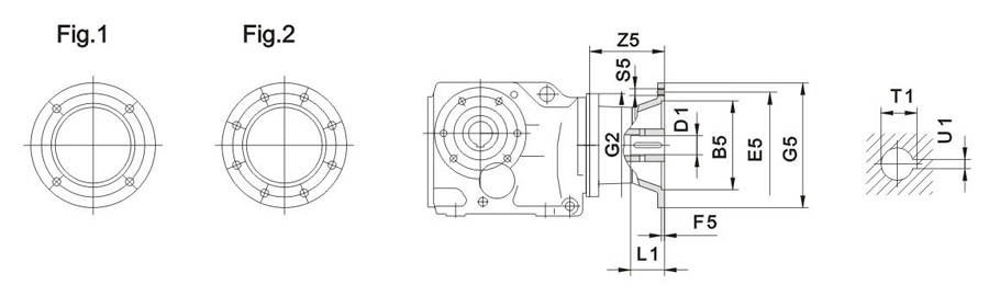
Размеры входного фланца под электродвигатель (IEC - стандарт)

|
|
Fig |
B5 |
E5 |
F5 |
G2 |
G5 |
S5 |
Z5 |
D1 |
L1 |
T1 |
U1 |
K..37 |
AM63 |
1 |
95 |
115 |
3,5 |
120 |
140 |
М8 |
72 |
11 |
23 |
12,8 |
4 |
AM711) |
110 |
130 |
160 |
14 |
30 |
16,3 |
5 |
AM801) |
130 |
165 |
4,5 |
200 |
М10 |
106 |
19 |
40 |
21,8 |
6 |
AM901) |
24 |
50 |
27,3 |
8 |
К..47 |
AM63 |
1 |
95 |
115 |
3,5 |
160 |
140 |
М8 |
66 |
11 |
23 |
12,8 |
4 |
AM71 |
110 |
130 |
160 |
14 |
30 |
16,3 |
5 |
AM80 |
130 |
165 |
4,5 |
200 |
М10 |
99 |
19 |
40 |
21,8 |
6 |
AM90 |
24 |
50 |
27,3 |
8 |
AM1001) |
180 |
215 |
5 |
250 |
М12 |
134 |
28 |
60 |
31,3 |
8 |
AM1121) |
К..77 |
AM63 |
1 |
95 |
115 |
3.5 |
200 |
140 |
M8 |
60 |
11 |
23 |
12.8 |
4 |
AM71 |
110 |
130 |
160 |
14 |
30 |
16.3 |
5 |
AM80 |
130 |
165 |
4.5 |
200 |
M10 |
92 |
19 |
1\40 |
21.8 |
6 |
AM90 |
24 |
50 |
27.3 |
8 |
AM1001) |
180 |
215 |
5 |
250 |
M12 |
126 |
28 |
60 |
31.3 |
8 |
AM1121) |
AM132S1)
AM132M1) |
230 |
265 |
5 |
300 |
179 |
38 |
80 |
41.3 |
10 |
AM132ML1) |
K..87 |
AM80 |
1 |
130 |
165 |
4.5 |
250 |
200 |
M10 |
87 |
19 |
40 |
21.8 |
6 |
AM90 |
24 |
50 |
27.3 |
8 |
AM100 |
180 |
215 |
5 |
250 |
M12 |
121 |
28 |
60 |
31.3 |
8 |
AM112 |
AM132S
AM132M |
230 |
265 |
300 |
174 |
38 |
80 |
41.3 |
10 |
AM132ML |
AM1601) |
250 |
300 |
6 |
350 |
M16 |
232 |
42 |
110 |
45.3 |
6 |
AM1801) |
48 |
51.8 |
8 |
K..97 |
AM100 |
1 |
180 |
215 |
5 |
300 |
250 |
M12 |
116 |
28 |
60 |
31.3 |
1 |
AM112 |
AM132S
AM132M |
230 |
265 |
300 |
169 |
38 |
80 |
41.3 |
10 |
AM132ML |
AM160 |
250 |
300 |
6 |
350 |
M16 |
227 |
42 |
110 |
45.3 |
12 |
AM180 |
48 |
51.8 |
14 |
AM2001) |
300 |
350 |
7 |
400 |
268 |
55 |
59.3 |
16 |
AM2251) |
2 |
350 |
400 |
450 |
283 |
60 |
140 |
64.4 |
18 |

|
|
Fig |
B5 |
E5 |
F5 |
G2 |
G5 |
S5 |
Z5 |
D1 |
L1 |
T1 |
U1 |
K..107 |
AM100 |
1 |
180 |
215 |
5 |
350 |
250 |
M12 |
110 |
28 |
60 |
31.3 |
8 |
AM112 |
AM132S |
230 |
265 |
300 |
163 |
38 |
80 |
41.3 |
10 |
AM132M |
AM132ML |
AM160 |
250 |
300 |
6 |
350 |
M16 |
221 |
42 |
110 |
45.3 |
12 |
AM180 |
48 |
51.8 |
14 |
AM200 |
300 |
350 |
7 |
400 |
262 |
55 |
59.3 |
16 |
AM225 |
2 |
350 |
400 |
450 |
277 |
60 |
140 |
64.4 |
18 |
K..127 |
AM132S |
1 |
230 |
265 |
5 |
450 |
300 |
M12 |
148 |
38 |
80 |
41.3 |
10 |
AM132M |
AM132ML |
AM160 |
250 |
300 |
6 |
350 |
M16 |
206 |
42 |
110 |
45.3 |
12 |
AM180 |
48 |
51.8 |
14 |
AM200 |
300 |
350 |
7 |
400 |
247 |
55 |
59.3 |
16 |
AM225 |
2 |
350 |
400 |
450 |
262 |
60 |
140 |
64.4 |
18 |
AM250 |
450 |
500 |
550 |
336 |
65 |
69.4 |
AM280 |
75 |
79.9 |
20 |
K..157
K..167
K..187 |
AM160 |
1 |
250 |
300 |
6 |
550 |
350 |
M16 |
198 |
42 |
110 |
45.3 |
12 |
AM180 |
48 |
51.8 |
14 |
AM200 |
300 |
350 |
7 |
400 |
239 |
55 |
59.3 |
16 |
AM225 |
2 |
350 |
400 |
450 |
254 |
60 |
140 |
64.4 |
18 |
AM250 |
450 |
500 |
550 |
328 |
65 |
69.4 |
AM280 |
75 |
79.9 |
20 |
Двухступенчатые цилиндрические редукторы 1Ц2У-100, 1Ц2У-125, 1Ц2У-160, 1Ц2У-200, 1Ц2У-250
Одноступенчатые цилиндрические редукторы серии ЦУ-100, ЦУ-160, ЦУ-200, ЦУ-250
Двухступенчатые цилиндрические редукторы серии 1Ц2У-315Н, 1Ц2У-355Н, 1Ц2У-400Н, 1Ц2Н-450, 1Ц2Н-500
Трехступенчатые цилиндрические редукторы ЦЗУ-160, ЦЗУ-200, ЦЗУ-250
Одноступенчатые червячные редукторы серии 1Ч-63А
Одноступенчатые червячные редукторы Ч-100, Ч-125, Ч-160
Одноступенчатые червячные редукторы 1Ч-160
Двухступенчатые редукторы Ч2-160
Редукторы червячные одноступенчатые 4Ч-80
Одноступенчатые червячные редукторы Ч-80
Одноступенчатые червячные редукторы 2Ч-40, 2Ч-63, 2Ч-80
Цилиндрические соосные мотор-редукторы MTC A
Цилиндрические соосные мотор-редукторы R (RF)
Двухступенчатые мотор-редукторы 4МЦ2С, 4МЦ2С-63, 4МЦ2С-80, 4МЦ2С-100, 4МЦ2С-125
Цилиндрические мотор-редукторы 1МЦ2С, 1МЦ2С-63, 1МЦ2С-80, 1МЦ2С-100, 1МЦ2С-125
Цилиндрические плоские мотор-редукторы серии F
Мотор-редукторы планетарные тип: 3МП-31,5; 3МП-40; 3МП-50; 3МП-63; 3МП-80; 3МП-100; 3МП-125
Мотор-редукторы планетарные двухступенчатые МПО2М-10, МПО2М-15
Мотор-редукторы планетарные одноступенчатые типа МПО1М-10
Мотор-редукторы планетарные МРВ-02 и МРВ-04
Волновые мотор-редукторы ЗМВз
Цилиндро-конические мотор-редукторы K
|